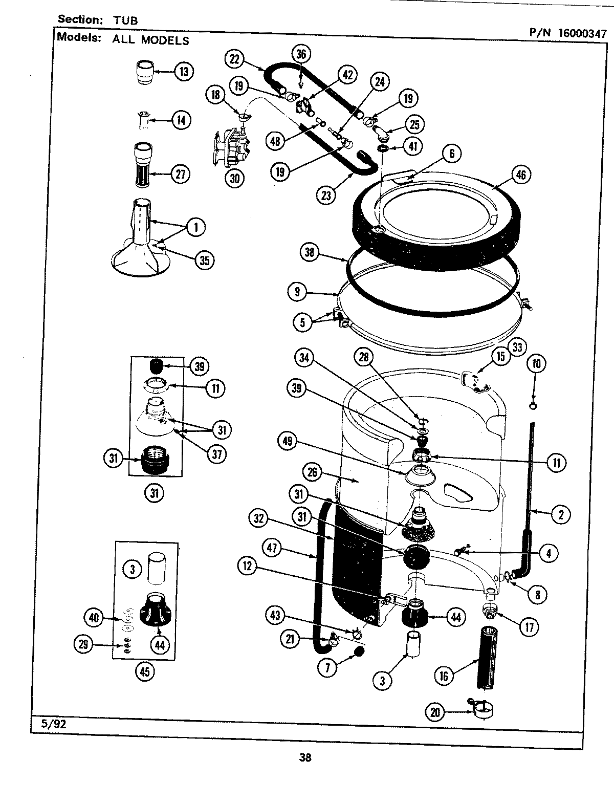
LAT9700ABW 08 – TUB