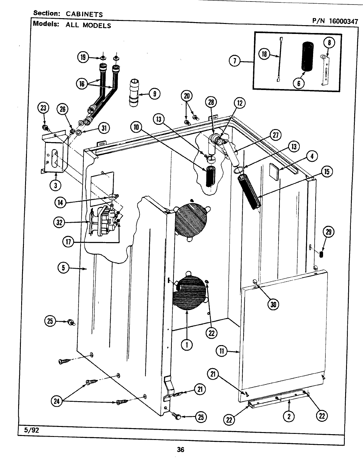
LAT9700DAL 02 – CABINET