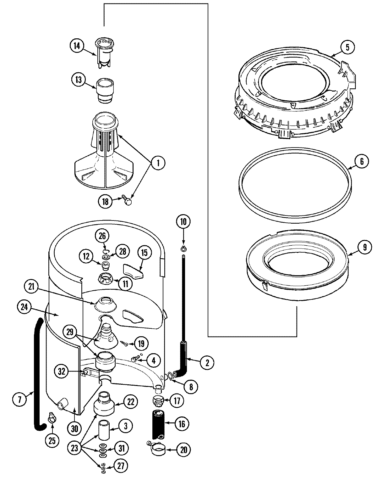
LAT9704ABL 07 – TUB