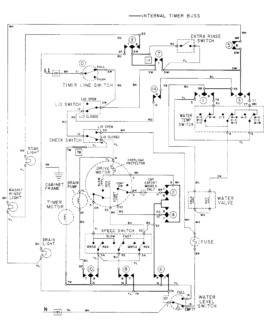
LAT9704AGE 08 – WIRING INFORMATIONadmin2025-04-26T09:24:51+00:00LAT9704AGE 08 – WIRING INFORMATION ProductsPositionProductNIMAY 15001093