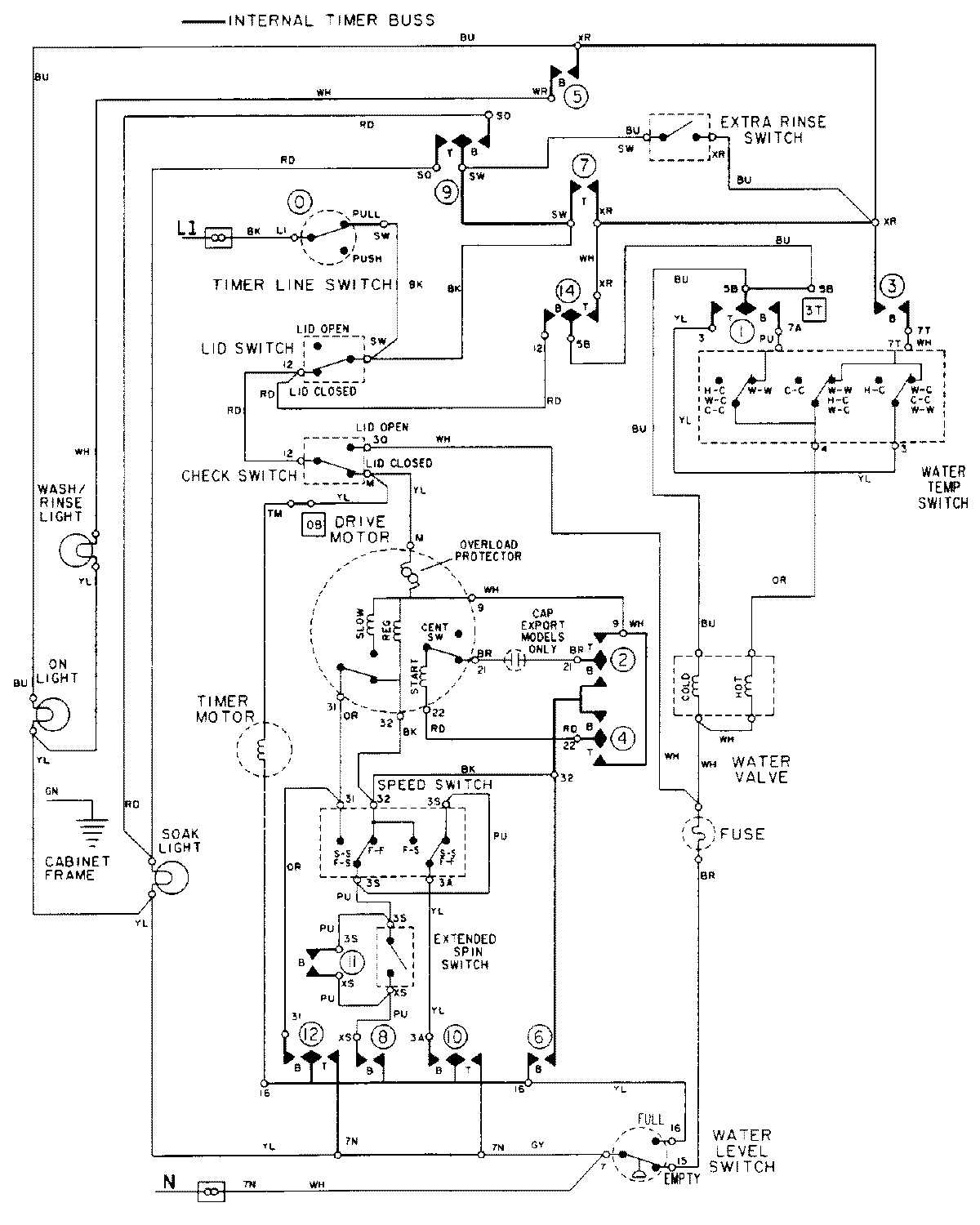
LAT9706AAQ 08 – WIRING INFORMATION (9706)admin2025-04-26T09:26:37+00:00LAT9706AAQ 08 – WIRING INFORMATION (9706) ProductsPositionProductNIMAY 15001927NIMAY 15002101