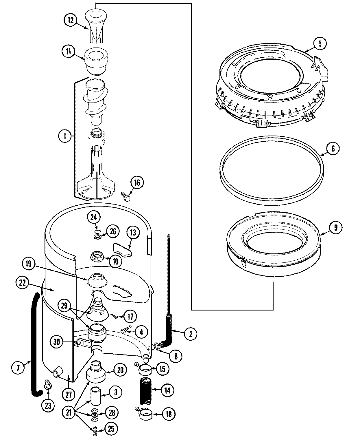
| 1 | MAY 22002363 |
| 2 | MAY 22001036 |
| 3 | MAY 211130 |
| 4 | W10175938 Whirlpool Bolt |
| 4 | W10175939 Whirlpool Bolt Assembly |
| 5 | 22001299 Whirlpool Tub Cover and Gasket |
| 6 | MAY Y22001201 |
| 7 | WP22001320 Whirlpool Bleach Dispensing Tube |
| 8 | WP285655 Whirlpool Hose Clamp |
| 9 | MAY 22001142 |
| 10 | WP6-2110472 Whirlpool Nut Clamp |
| 11 | WP21001905 Whirlpool Dispenser |
| 13 | MAY 207219 |
| 14 | WP213045 Whirlpool Dishwasher Tub to Pump Hose |
| 16 | MAY 22001819 |
| 17 | 22001423 Whirlpool Screw Set Assembly |
| 19 | MAY 211210 |
| 20 | 6-2040130 Whirlpool Washer Tub Bearing Kit |
| 22 | MAY 22001139 |
| 23 | WP489503 Whirlpool Refrigerator Clamp |
| 24 | MAY Y015667 |
| 25 | MAY Y054867 |
| 26 | WPY015666 Whirlpool Washer Retainer |
| 27 | MAY 22001114 |
| 28 | MAY 211100 |
| 29 | MAY 22001648 |
| 30 | MAY 214434 |