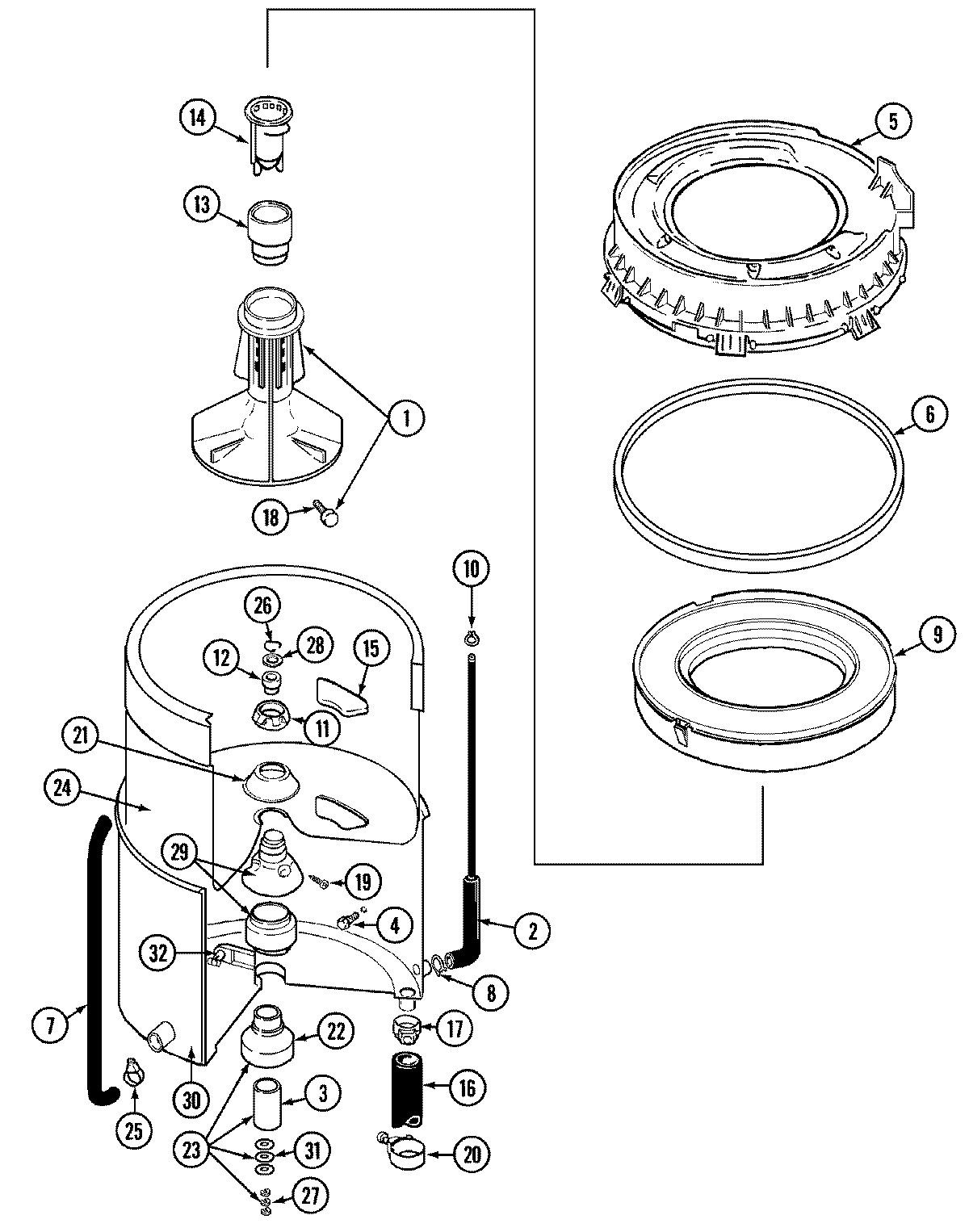
LAT9714AAL 07 – TUB