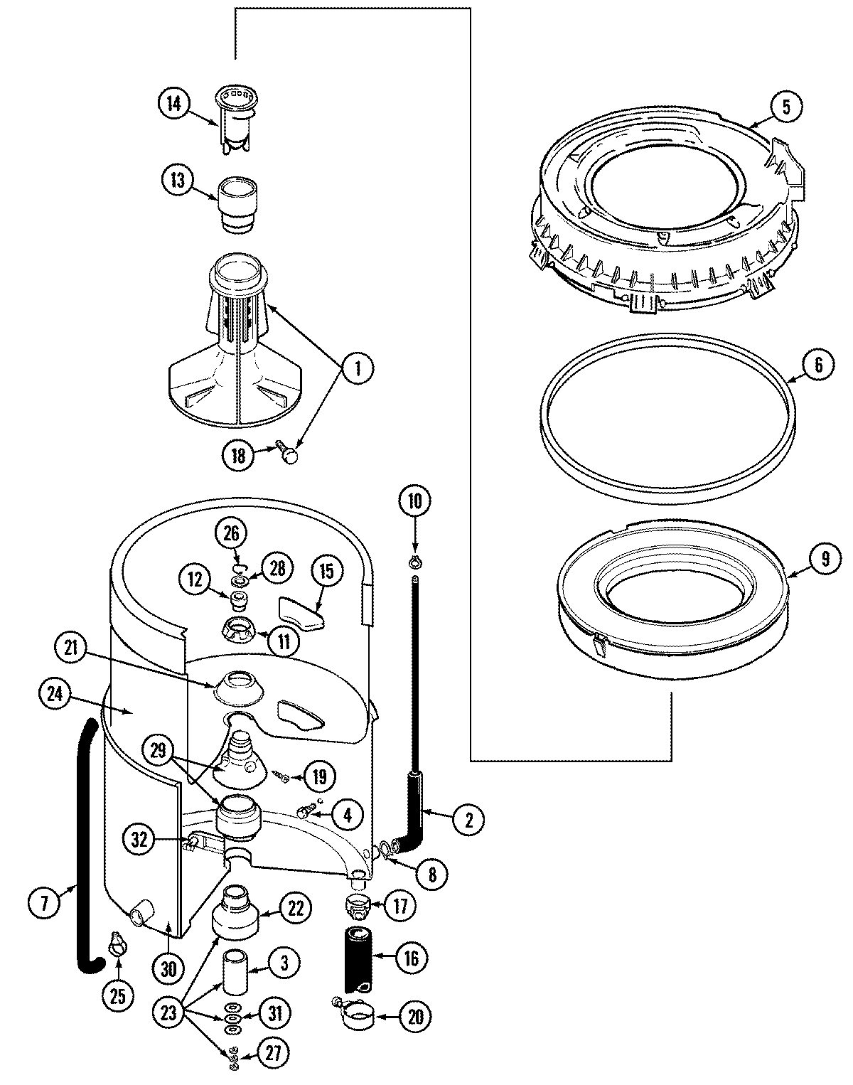
LAT9734AAE 07 – TUB