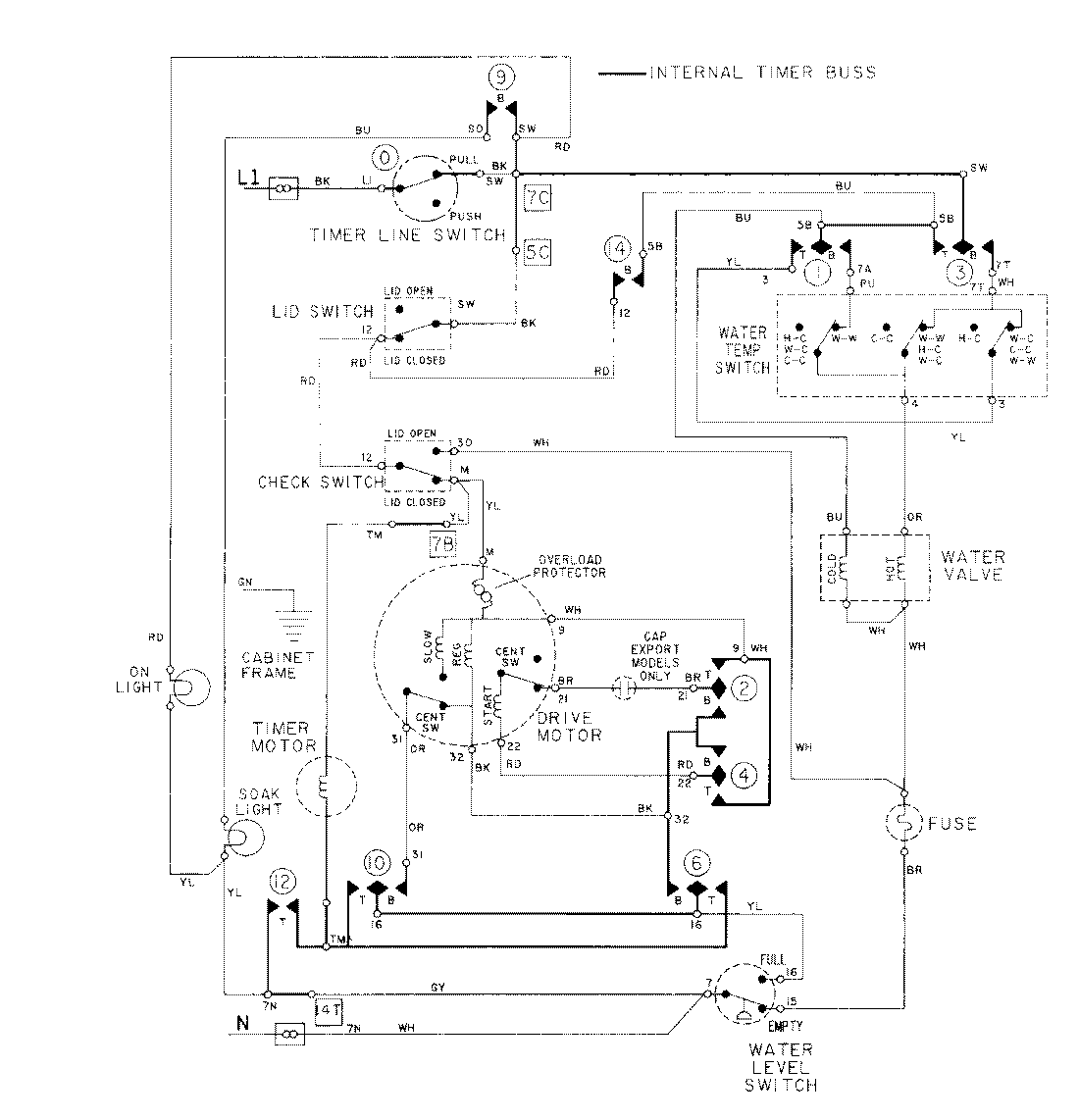
LAT9734AAE 08 – WIRING INFORMATIONadmin2025-04-26T09:25:09+00:00LAT9734AAE 08 – WIRING INFORMATION ProductsPositionProductNIMAY 15001089