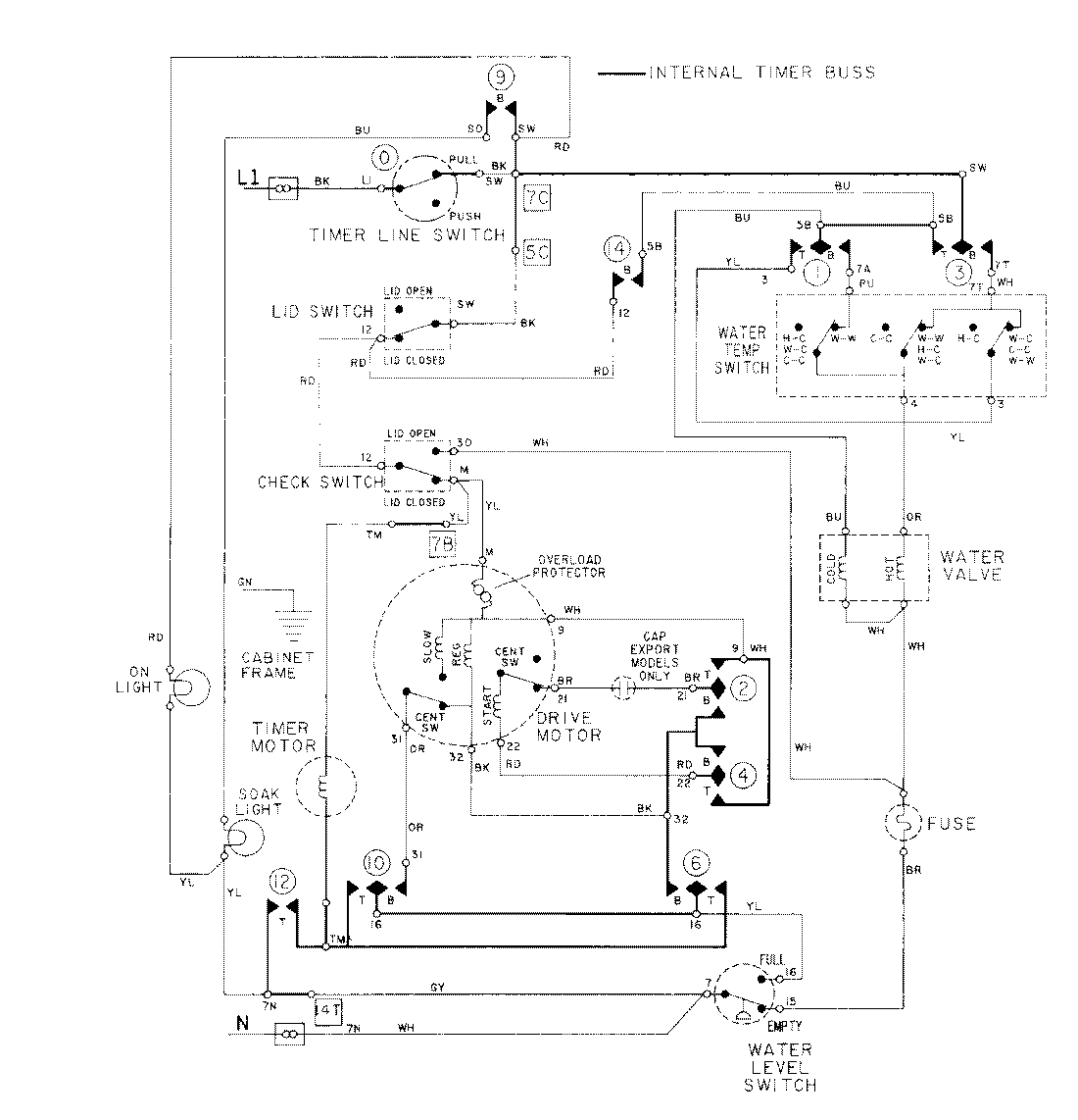
LAT9734AAM 08 – WIRING INFORMATIONadmin2025-04-26T09:26:05+00:00LAT9734AAM 08 – WIRING INFORMATION ProductsPositionProductNIMAY 15001089