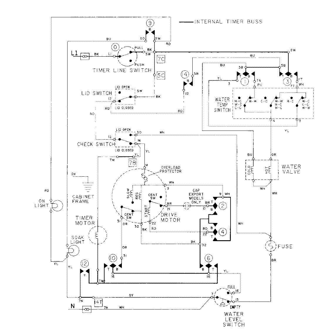
LAT9734ABE 08 – WIRING INFORMATIONadmin2025-04-26T09:24:33+00:00LAT9734ABE 08 – WIRING INFORMATION ProductsPositionProductNIMAY 15001089