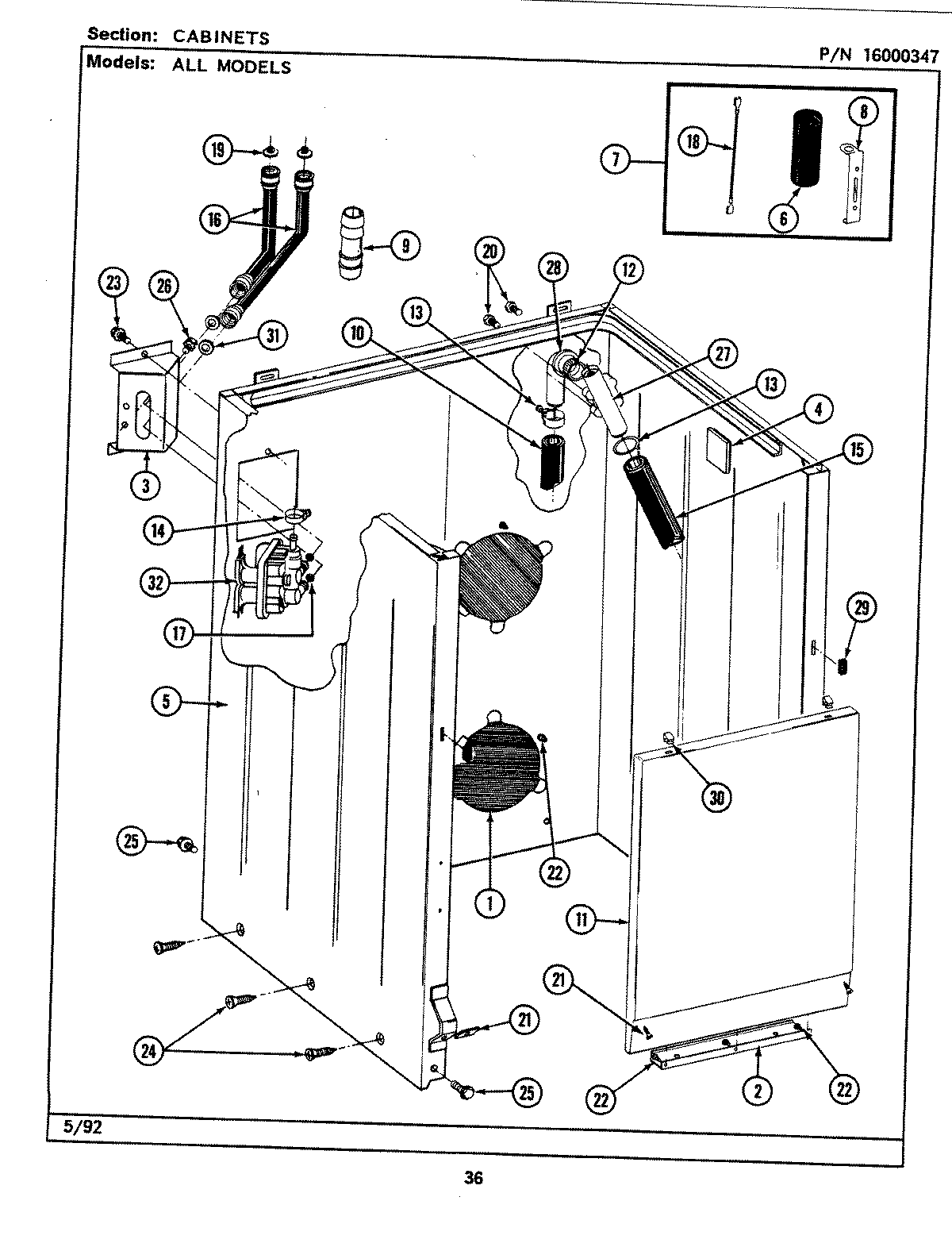
LAT9800AAL 02 – CABINET