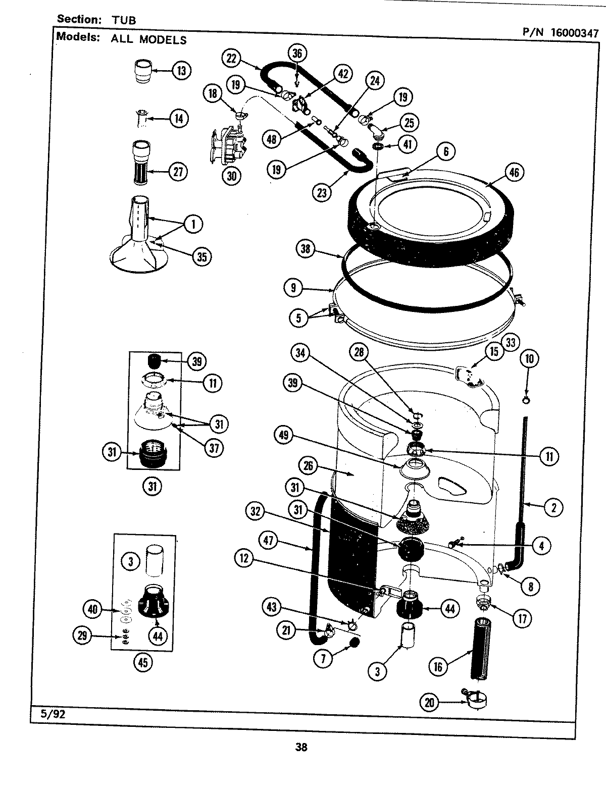
LAT9800AAL 08 – TUB