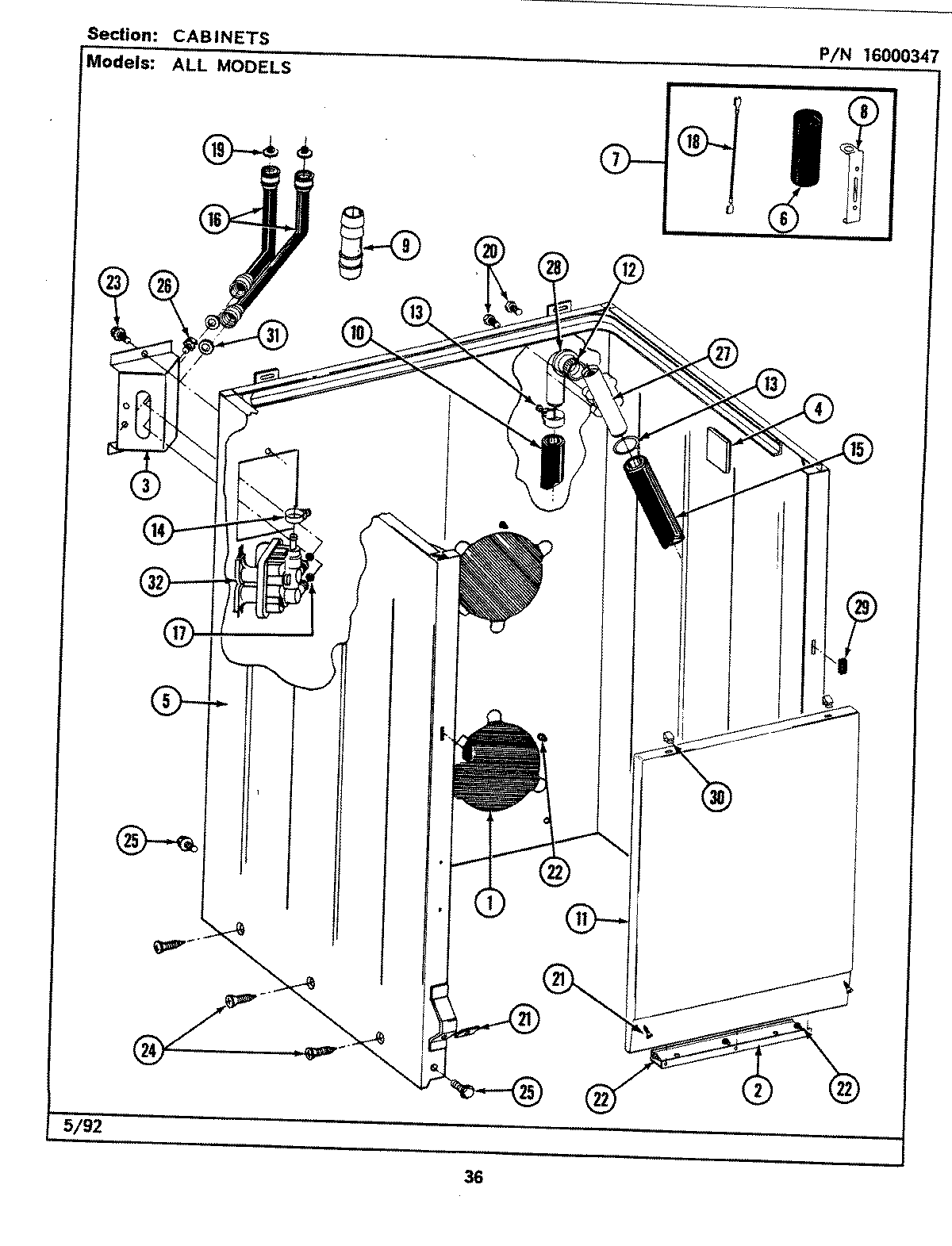
LAT9800ABL 02 – CABINET