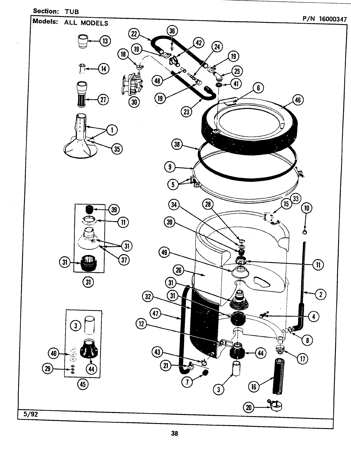
LAT9800ABW 08 – TUB