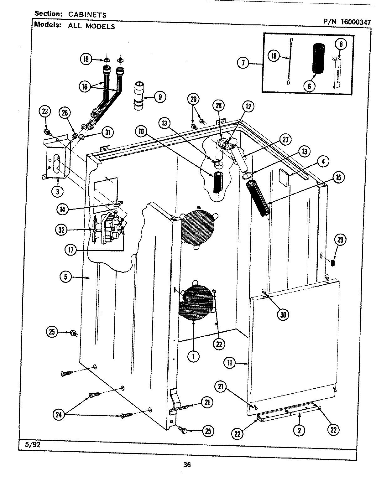
LAT9800AGL 02 – CABINET