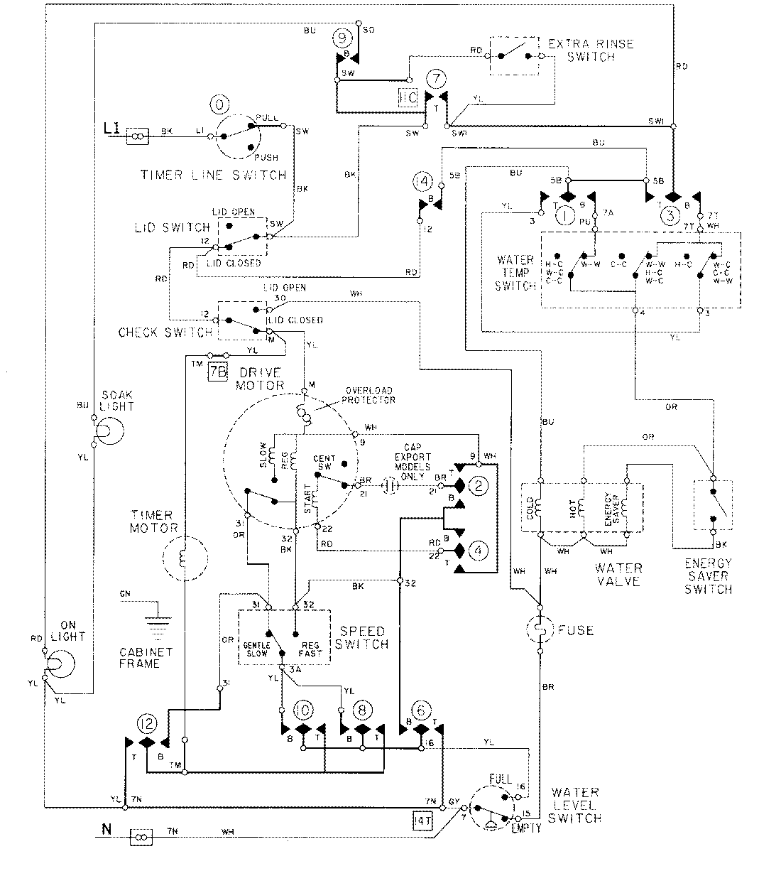
LAT9804AAE 08 – WIRING INFORMATIONadmin2025-04-26T09:25:32+00:00LAT9804AAE 08 – WIRING INFORMATION ProductsPositionProductNIMAY 15001286