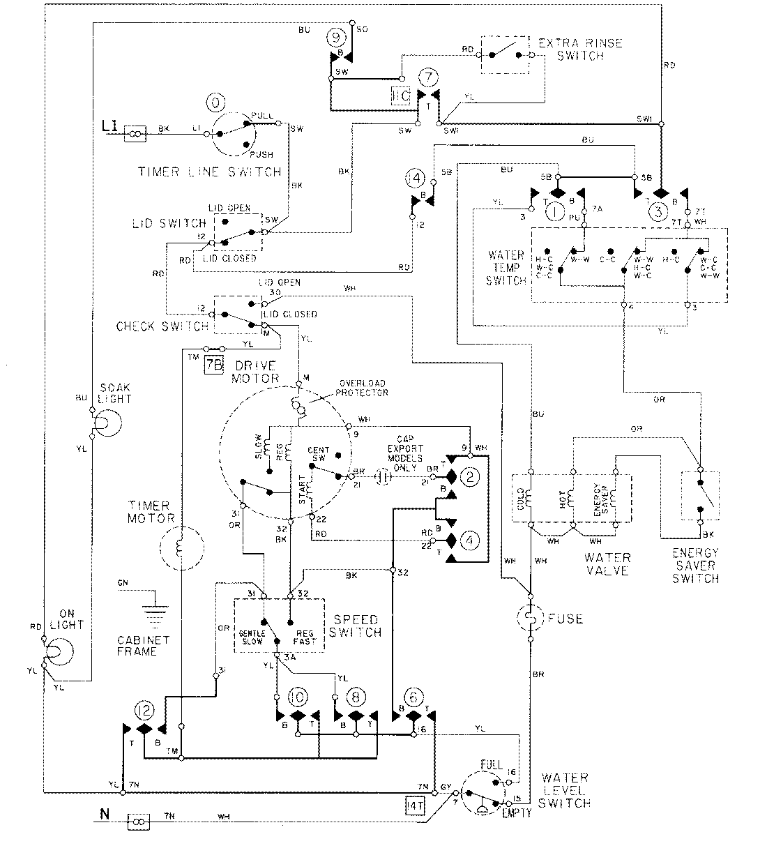
LAT9804AAL 08 – WIRING INFORMATIONadmin2025-04-26T09:24:45+00:00LAT9804AAL 08 – WIRING INFORMATION ProductsPositionProductNIMAY 15001286