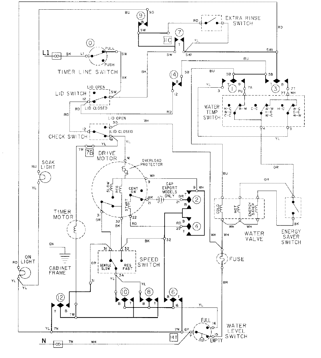
LAT9804AAM 08 – WIRING INFORMATIONadmin2025-04-26T09:25:05+00:00LAT9804AAM 08 – WIRING INFORMATION ProductsPositionProductNIMAY 15001286