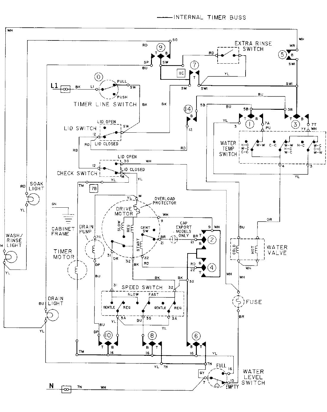
LAT9824AGE 08 – WIRING INFORMATIONadmin2025-04-26T08:56:36+00:00LAT9824AGE 08 – WIRING INFORMATION ProductsPositionProductNIMAY 15001288