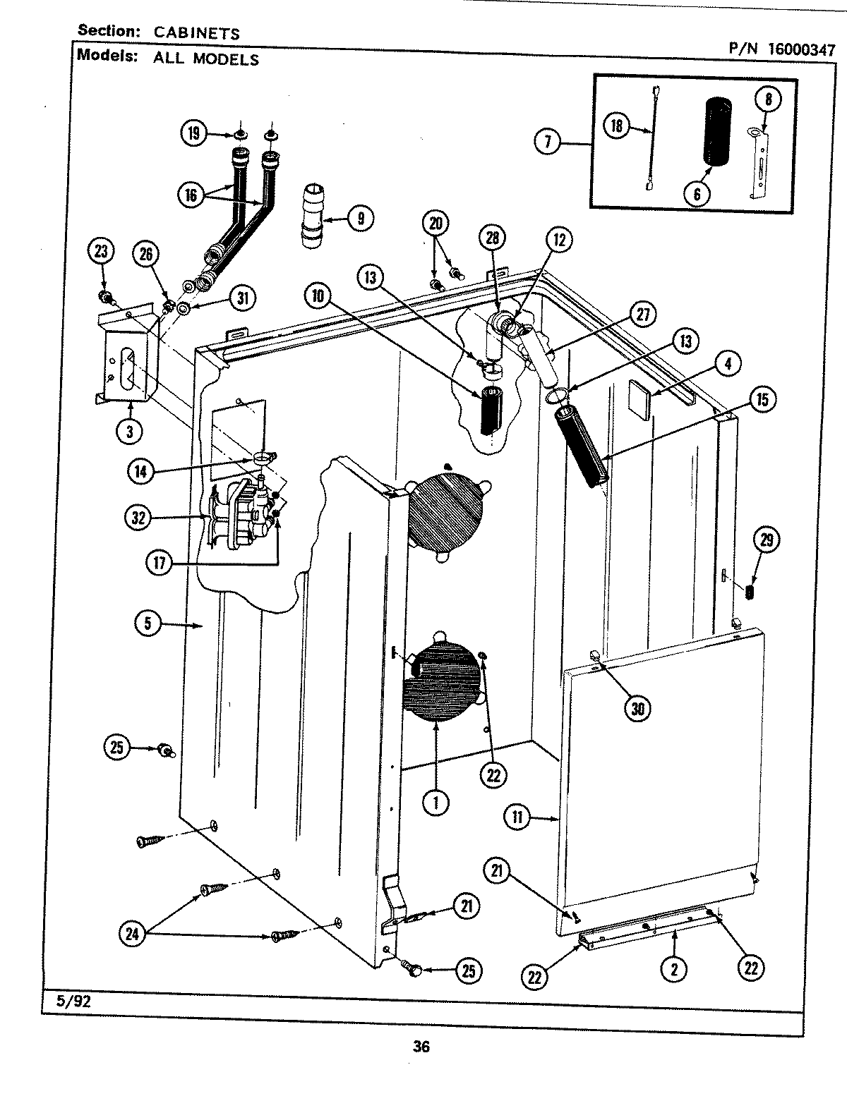
LAT9900ABL 02 – CABINET