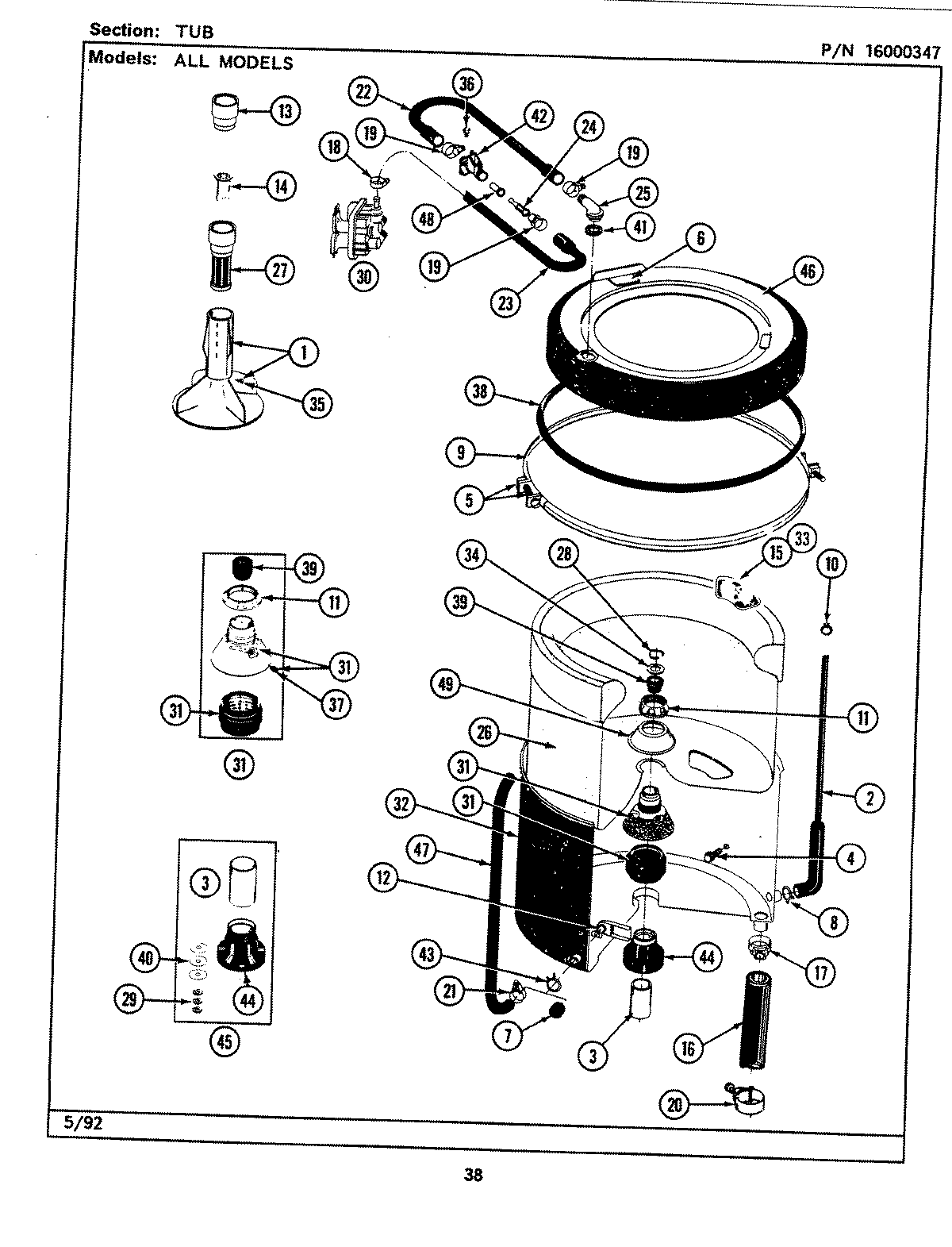
LAT9900ABL 07 – TUB