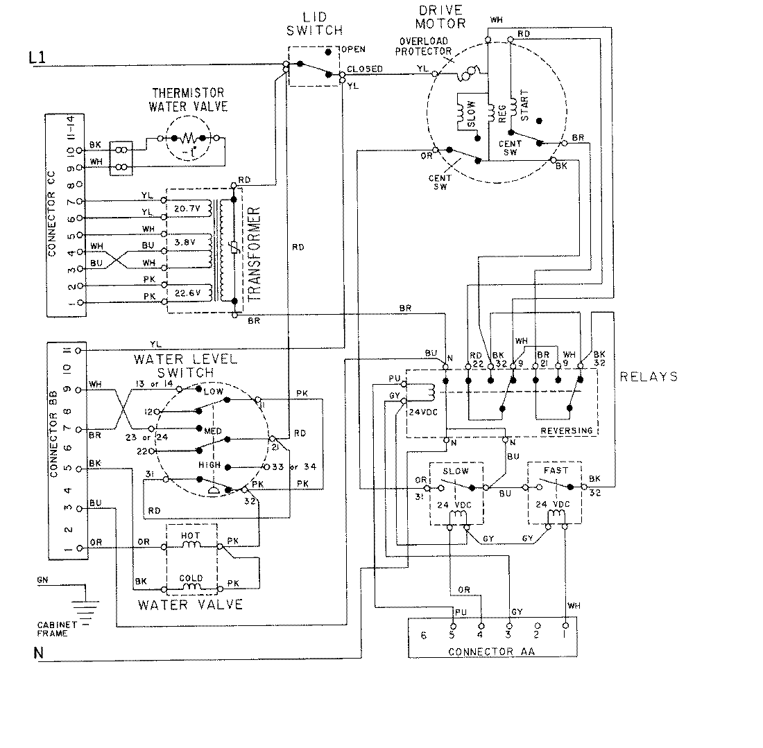
LAT9904AAL 08 – WIRING INFORMATIONadmin2025-04-26T08:56:20+00:00LAT9904AAL 08 – WIRING INFORMATION ProductsPositionProductNIMAY 15001287