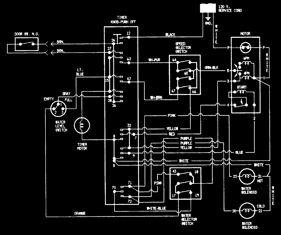
LATA300AAE 08 – WIRING INFORMATIONadmin2025-04-26T08:55:58+00:00LATA300AAE 08 – WIRING INFORMATION ProductsPositionProductNIMAY 15001239NIMAY 15001898