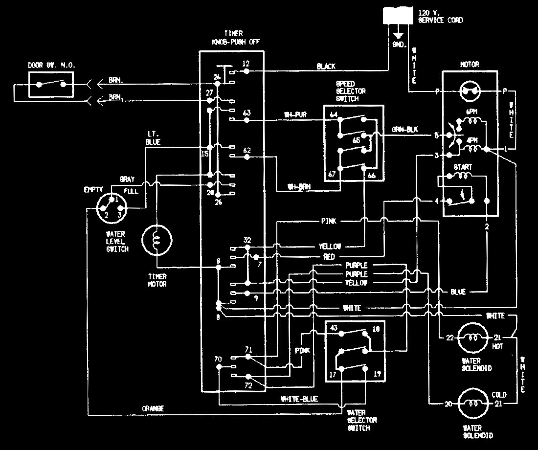
LATA300AAW 07 – WIRING INFORMATIONadmin2025-04-26T08:56:32+00:00LATA300AAW 07 – WIRING INFORMATION ProductsPositionProductNIMAY 15001239