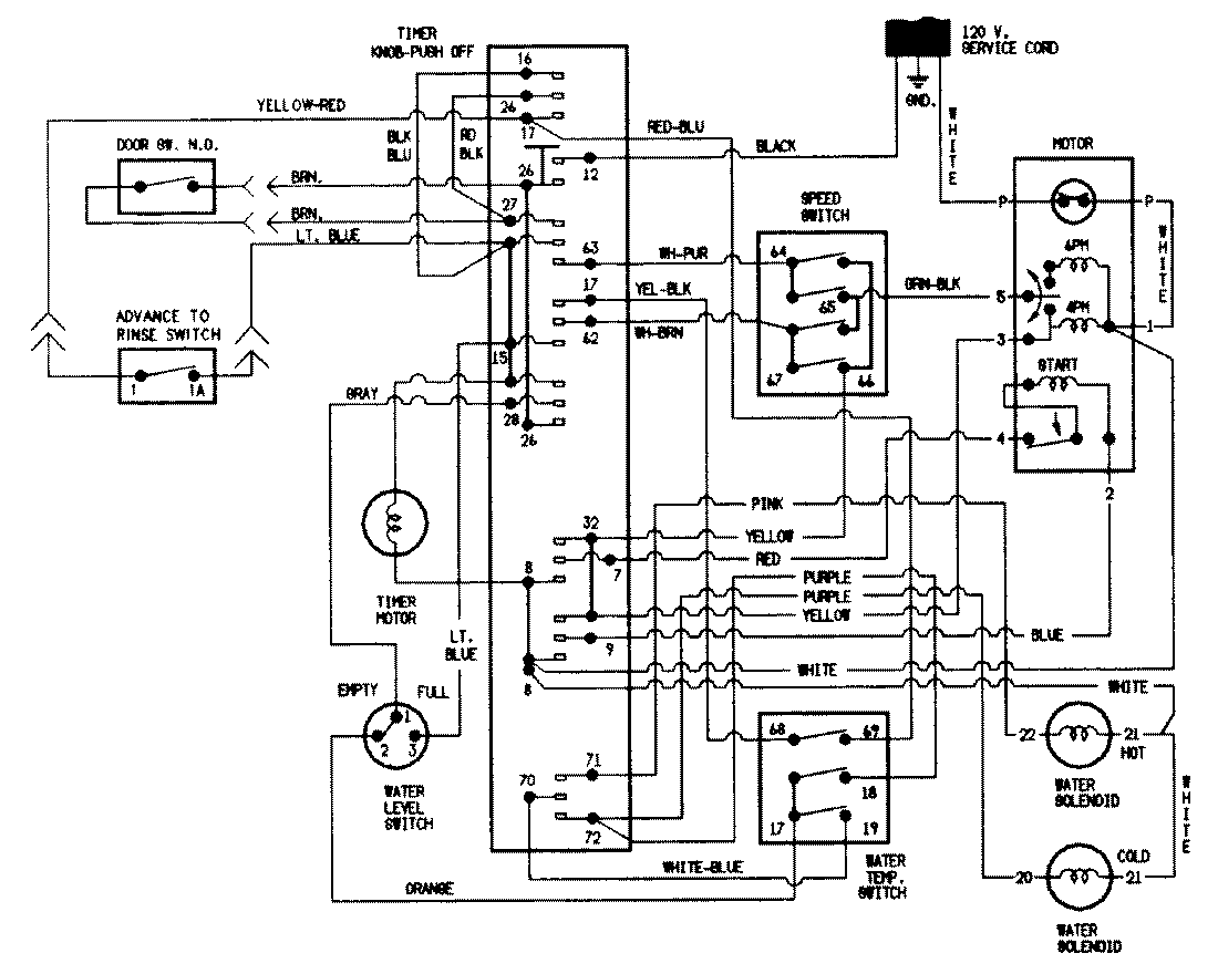
LATA500AAL 07 – WIRING INFORMATIONadmin2025-04-26T08:56:21+00:00LATA500AAL 07 – WIRING INFORMATION ProductsPositionProductNIMAY 15001236