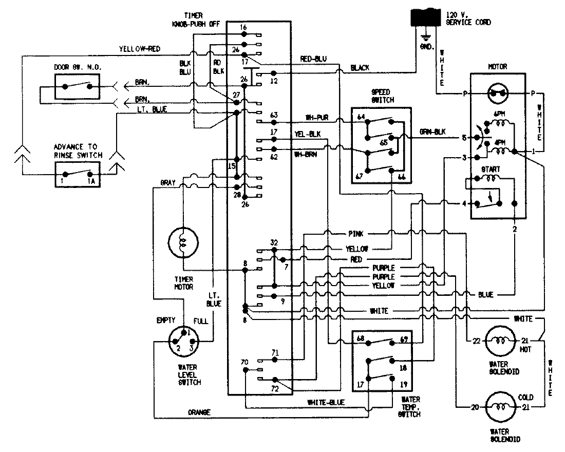
LATA500AAW 07 – WIRING INFORMATIONadmin2025-04-26T08:56:34+00:00LATA500AAW 07 – WIRING INFORMATION ProductsPositionProductNIMAY 15001236