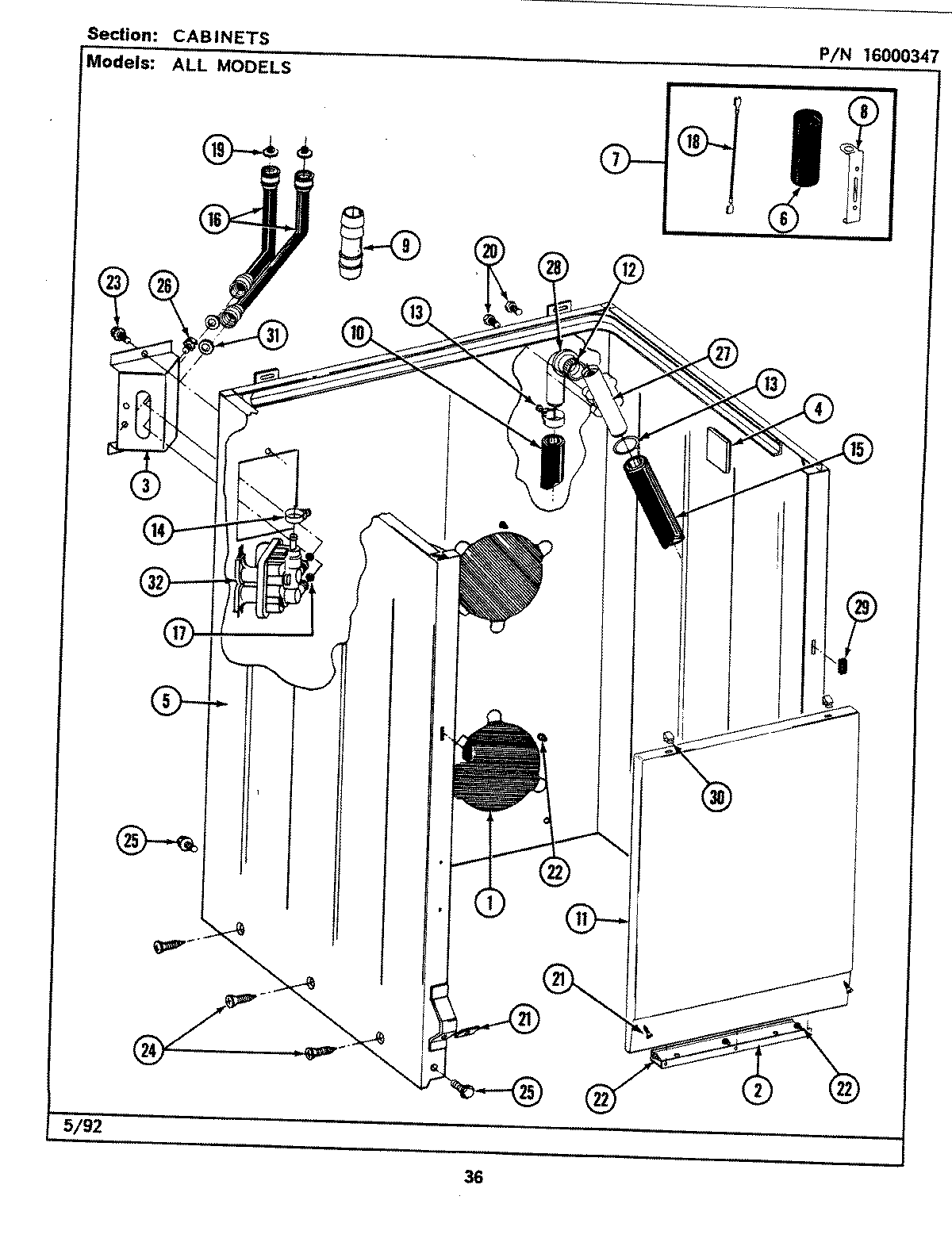
LAW9400AAL 02 – CABINET