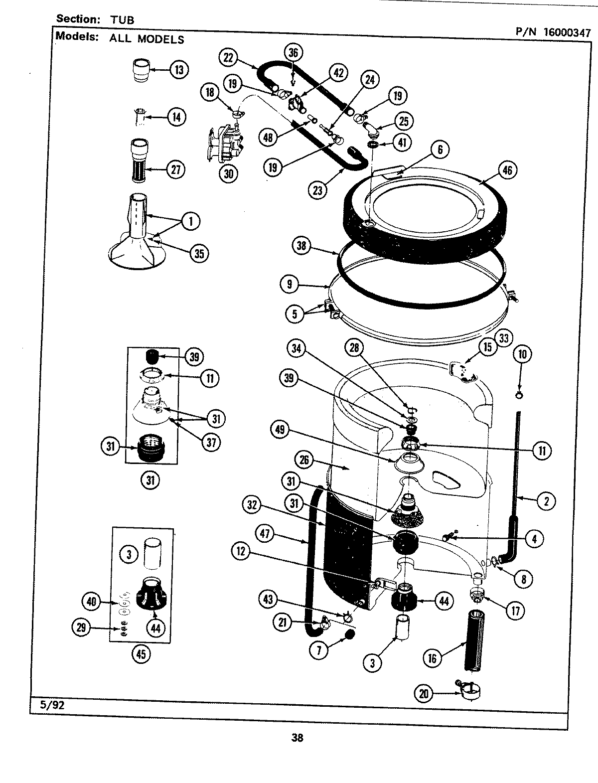
| 1 | MAY 207228 |
| 2 | MAY 212942 |
| 3 | MAY 211130 |
| 4 | W10175938 Whirlpool Bolt |
| 4 | W10175939 Whirlpool Bolt Assembly |
| 6 | MAY 215232 |
| 11 | WP6-2110472 Whirlpool Nut Clamp |
| 12 | MAY 214434 |
| 13 | MAY 215721 |
| 14 | MAY 215733 |
| 15 | MAY 207219 |
| 16 | WP213045 Whirlpool Dishwasher Tub to Pump Hose |
| 17 | MAY 200900 |
| 18 | WP596669 Whirlpool Hose Clamp |
| 20 | WP285655 Whirlpool Hose Clamp |
| 21 | WP489503 Whirlpool Refrigerator Clamp |
| 22 | WPY215234 Whirlpool Hose |
| 23 | WP213013 Whirlpool Injector Hose |
| 24 | WP213015 Whirlpool Nozzle Injector Tube |
| 25 | MAY 215235 |
| 26 | MAY 207831 |
| 27 | MAY 207426 |
| 28 | MAY Y015667 |
| 29 | MAY Y054867 |
| 30 | 205613 Whirlpool Washer Water Inlet Valve |
| 31 | MAY 204012 |
| 32 | PART NOT USED |
| 33 | MAY 215980 |
| 34 | WPY015666 Whirlpool Washer Retainer |
| 35 | MAY 206478 |
| 36 | MAY 312620 |
| 37 | MAY 211618 |
| 38 | WP211232 Whirlpool Seal |
| 39 | WP6-0A57420 Whirlpool Agitator Seal |
| 40 | MAY 211100 |
| 41 | WP215233 Whirlpool Seal |
| 42 | WP215447 Whirlpool Sleeve |
| 44 | 6-2040130 Whirlpool Washer Tub Bearing Kit |
| 46 | MAY 206380 |
| 47 | WP214433 Whirlpool Inlet Tube |
| 48 | WP216201 Whirlpool Rubber Injector Valve |
| 49 | MAY 211210 |