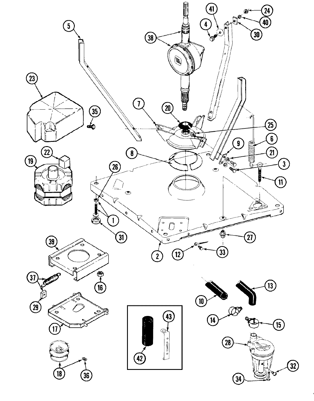
LAW9704ABE 01 – BASE