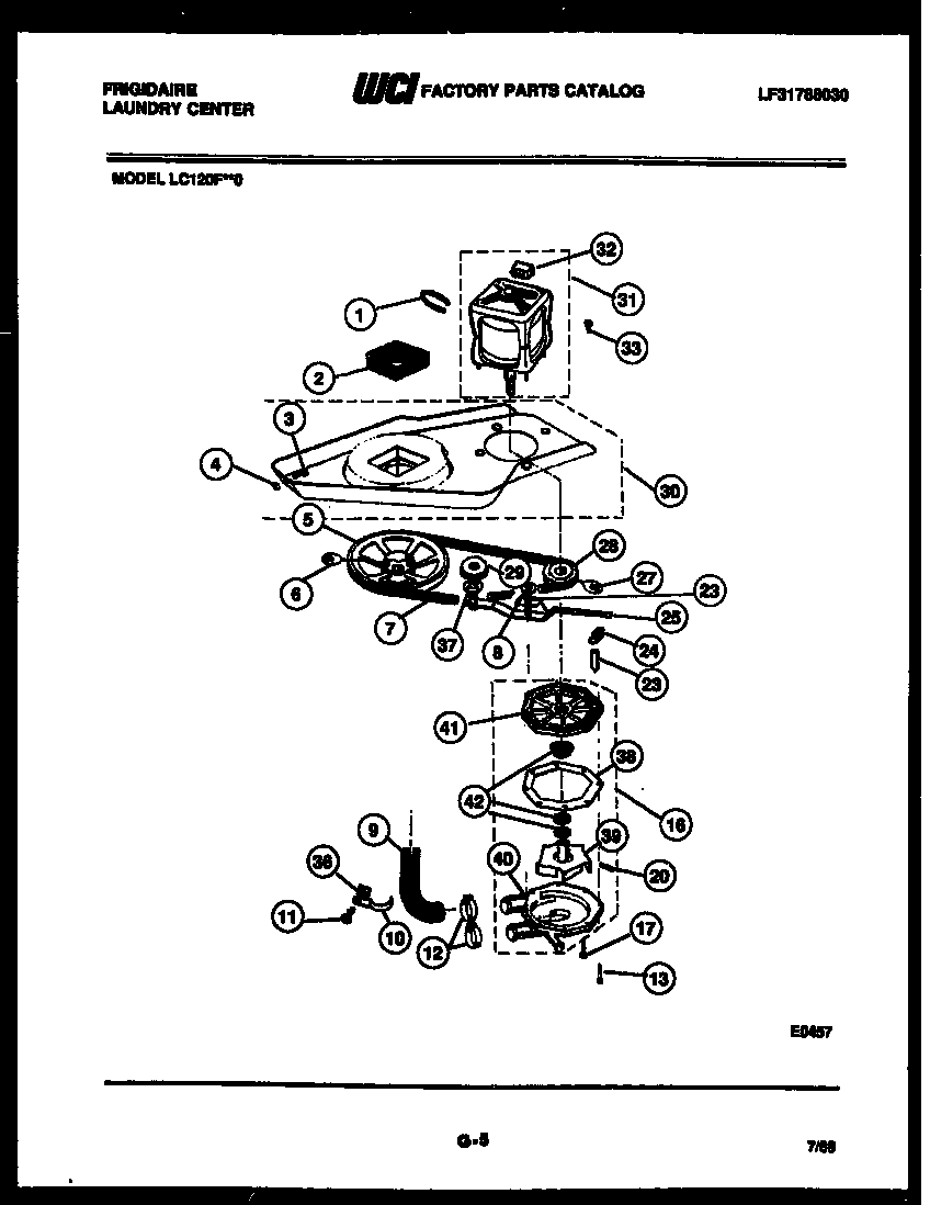
LC120FW0 06 – WASHER DRIVE SYSTEM AND PUMPadmin2025-04-26T09:50:09+00:00LC120FW0 06 – WASHER DRIVE SYSTEM AND PUMP ProductsPositionProduct1WCI 80028192WCI 80024733WCI 80024714WCI 80024705WCI 80149236WCI 80274757WCI 80040648WCI 80275359WCI 801507910WCI 800405211WCI 802747712WCI 300482613WCI 800239016WCI 801586417WCI 800238920WCI 800239223WCI 801492524WCI 800245625WCI 895022727WCI 800245328WCI 800668629WCI 801127130WCI 800658131WCI 801490132WCI 801488833WCI 800167636WCI 800409637WCI 801550138WCI 800239639IMPELLER KIT (CONSISTS OF SEAL ASSEMBLY, GASKET, IMPELLE40WCI 802768041WCI 800239742WCI 8002395