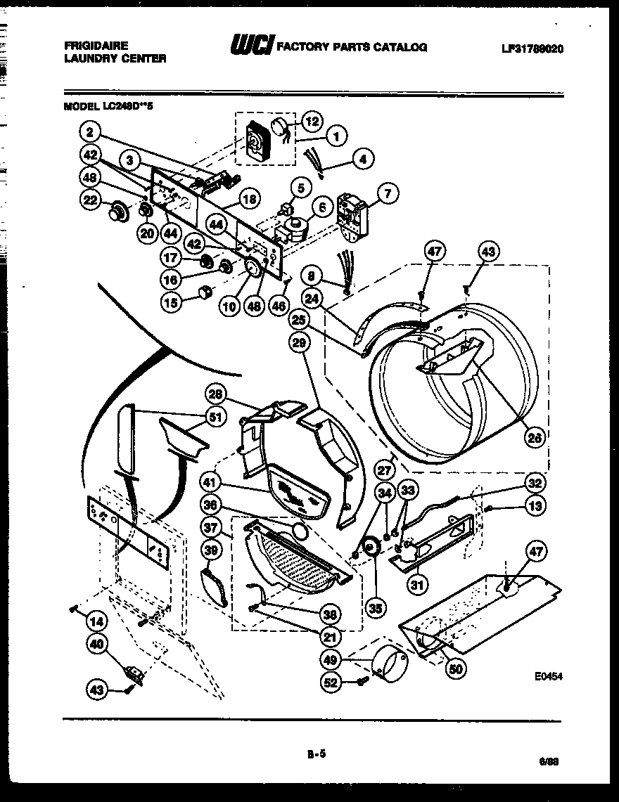
LC248DW5 03 – CONSOLE, CONTROL AND DRUMadmin2025-04-26T09:50:18+00:00LC248DW5 03 – CONSOLE, CONTROL AND DRUM ProductsPositionProduct*13051WCI 8010855*13051WCI 8027502*13051WCI 11341491WCI 30164452WCI 30179693WCI 30164474WCI 30164485WCI 30179706WCI 30164507WCI 30164518HARNESS-UPPER-WASHER-MOTOR10WCI 301797112WCI 801081513WCI 801128014SCREWS (4)15WCI 301797216WCI 801584117WCI 801584218WCI 301797320WCI 801585122WCI 801584924WCI 063986425WCI 801624025WCI 113235626WCI 801489527WCI 802766928WCI 801583029WCI 801582931WCI 301790131WCI 301790232WCI 800407633WCI 802767034WCI 753723835WCI 800407736WCI 063937737WCI 895015638WCI 063929639WCI 112746640WCI 301797440WCI 301645840WCI 301645641WCI 063387042WCI 800228443SCREW-BAFFLE/DRUM (6)43WCI 801583246WCI 800663647WCI 800654748WCI 801549349WCI 301645950WCI 301646051WCI 802767151WCI 802767252WCI 8002339