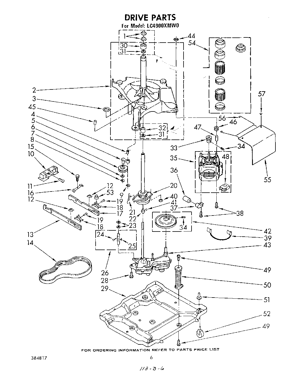
LC4900XMW0 04 – DRIVE