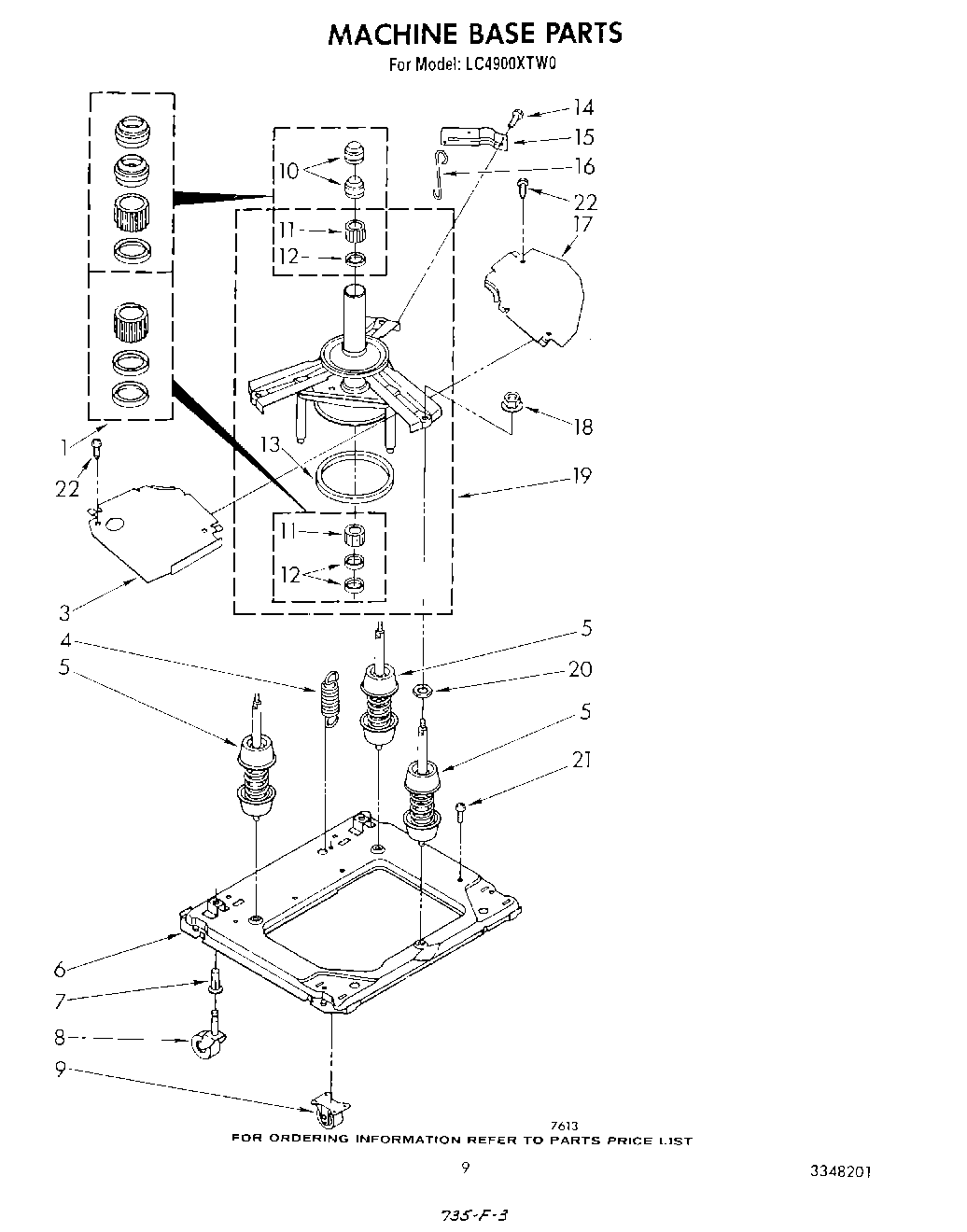
LC4900XTG0 08 – MACHINE BASEadmin2025-04-26T12:06:29+00:00LC4900XTG0 08 – MACHINE BASE ProductsPositionProduct1285203 Whirlpool CP Bearing3WP64137 Whirlpool Shield Assembly4WPW10250667 Whirlpool Washer Suspension Spring5Suspension Assembly (3)6WP8577373 Whirlpool Base Assembly7Socket, Caster (Alternate)8WP3370639 Whirlpool Caster9Wheel, Front (2)10WP8577376 Whirlpool Seal11WP8546455 Whirlpool Bearing12W11095997 Whirlpool Seal13WP63134 Whirlpool Ring14WP273556 Whirlpool Screw1563636 Whirlpool Bracket1763637 Whirlpool Shield18Nut, 1/2 - 20 (3)19W10863713 Whirlpool Support20Washer, Hex (2)21SCREW22WP90767 Whirlpool Screw