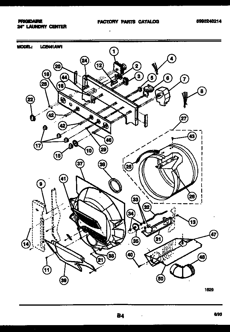
LCE441AW1 03 – CONSOLE, CONTROL AND DRUMadmin2025-04-26T09:48:40+00:00LCE441AW1 03 – CONSOLE, CONTROL AND DRUM ProductsPositionProduct*76930Spacer,washer ,timer shaft*76930WCI 5303208455*76930WCI 08008454*769305303303590 Frigidaire Dryer 4.0" Cable Tie1WCI 32050572WCI 53032097653WCI 32050584WCI 53032895975WCI 53080084636WCI 1310654007WCI 53032895948WCI 13102700010WCI 320499911131205100 Frigidaire Screw12WCI 320500013WCI 0801128014SCREW (8)15WCI 320594717WCI 320594818WCI 13116840020WCI 320500622KNOB & DIAL ASSY24WCI 320500825WCI 530328641826BAFFLE-DRUM (3)27WCI 320501031WCI 301790231WCI 301790132WCI 530800407633SNAP RING (4)34WCI 0801215235WCI 530800407736WCI 530320944537WCI 530328838838GUIDE (2)39COVER-LINT HSG40SCREW (2)41WCI 320501542WCI 316125944WCI 0801080446WCI 0800154447WCI 320501648WCI 320501750WCI 3016460