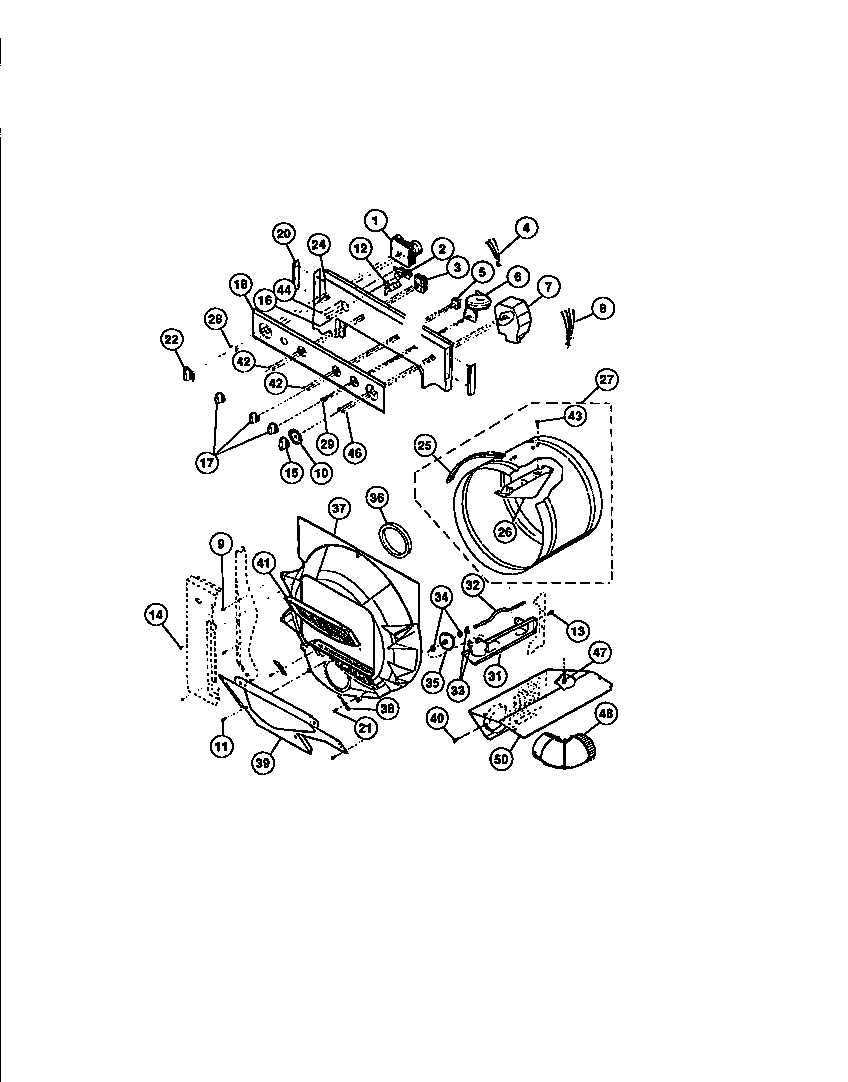
LCE441LW2 03 – CONTROLS AND DRYER DRUMadmin2025-04-26T09:50:02+00:00LCE441LW2 03 – CONTROLS AND DRYER DRUM ProductsPositionProduct*72764SPACER-TIMER-SHAFT*72765WCI 53032084551WCI 32050572WCI 53032101983WCI 32050584WCI 53032097665WCI 080084636WCI 53032084527WCI 30164518WCI 320499810WCI 530320710412WCI 320500013WCI 0801128014WCI 0800654915WCI 530320710517WCI 530320710618WCI 530320719720WCI 320500621216858001 Frigidaire Refrigerator Screw22WCI 530320710824WCI 320500825WCI 320500926BAFFLE-DRUM (3)27WCI 320501031ABRACKET-DRUM ROLLER LH31BRACKET-DRUM ROLLER RH32WCI 0800407633SNAP RING (4)34WCI 316125635WCI 0800407736WCI 320501137WCI 320501238GUIDE (2)39COVER-LINT HSG40SCREW (2)41WCI 320501542WCI 316125943131205100 Frigidaire Screw44WCI 0801080446WCI 0800154447WCI 320501648WCI 320501750WCI 3205018