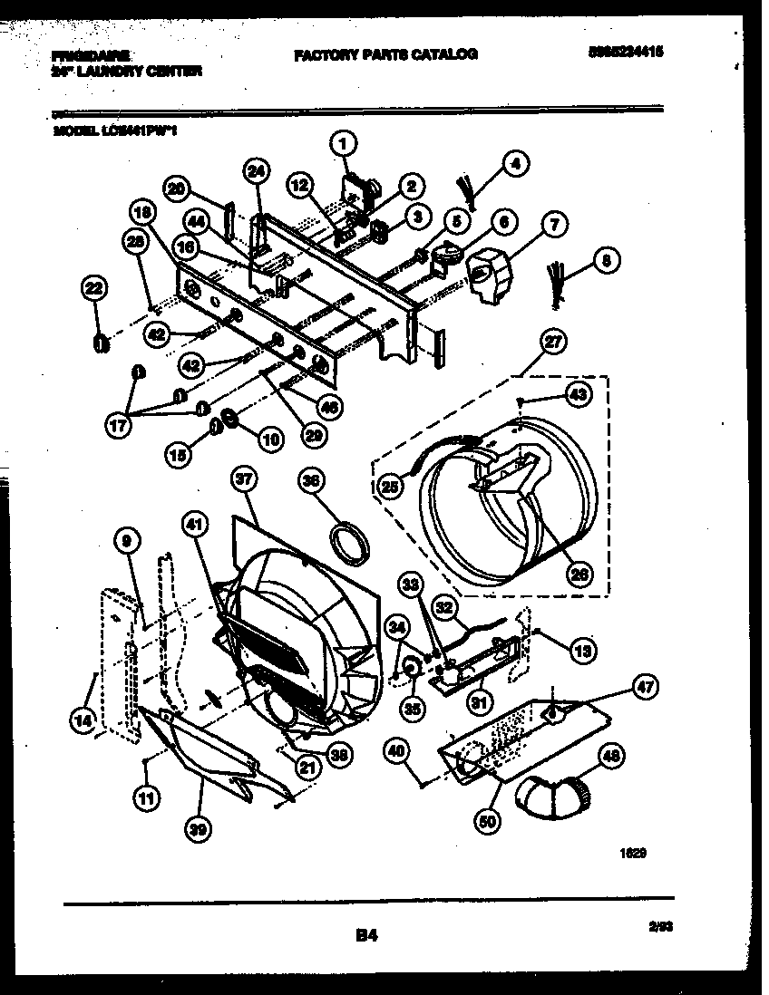
LCE441PW1 03 – CONSOLE, CONTROLS AND DRUMadmin2025-04-26T09:48:43+00:00LCE441PW1 03 – CONSOLE, CONTROLS AND DRUM ProductsPositionProduct*71724WCI 5303208455*71724WCI 08008454*717245303303590 Frigidaire Dryer 4.0" Cable Tie*71724SPACER-TIMER-SHAFT1WCI 32050572WCI 53032121193WCI 32050584WCI 53032895975WCI 53080084636WCI 1310654007WCI 53032895948WCI 13106420010WCI 530320710411131205100 Frigidaire Screw12WCI 320500013WCI 0801128014SCREW (8)15WCI 530320710517WCI 530320710618WCI 530328959820WCI 320500622WCI 530320710824WCI 320500825WCI 530328641826BAFFLE-DRUM (3)27WCI 320501031WCI 301790131AWCI 301790232WCI 530800407633SNAP RING (4)34WCI 0801215235WCI 530800407736WCI 530320944537WCI 530328838838GUIDE (2)39COVER-LINT HSG40SCREW (2)41WCI 320501542WCI 316125944WCI 0801080446WCI 0800154447WCI 320501648WCI 320501750WCI 3016460