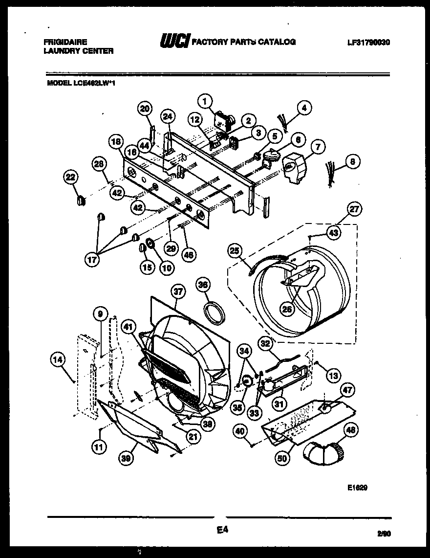
LCE462LW1 03 – CONSOLE, CONTROL AND DRUM