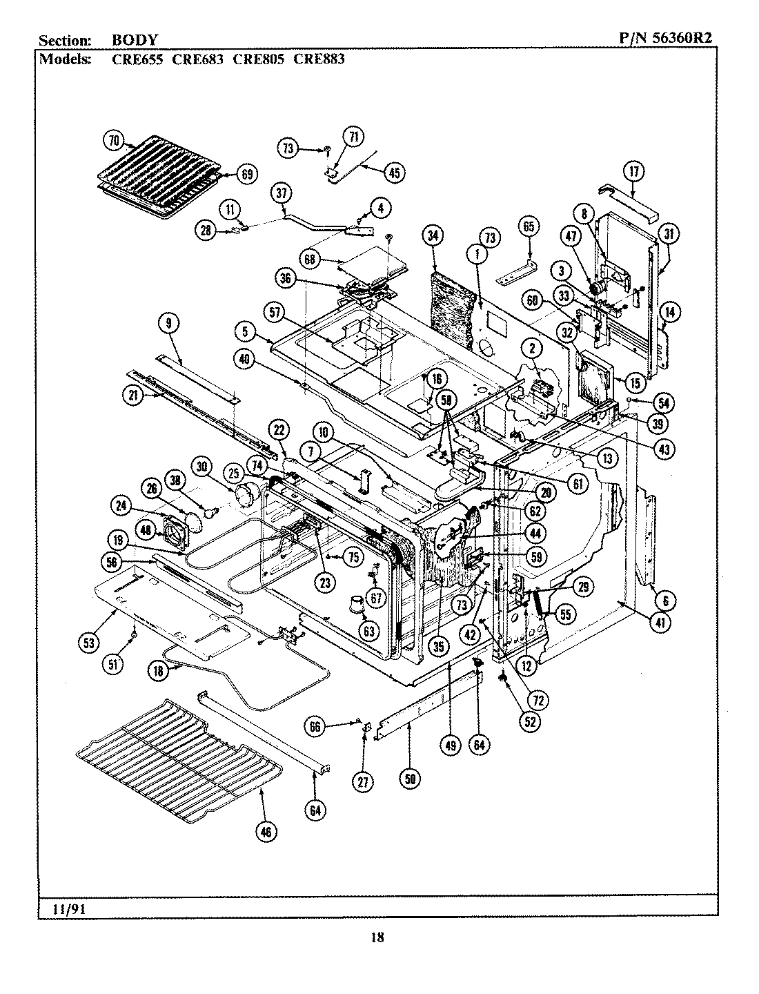
LCRE655 01 – BODY