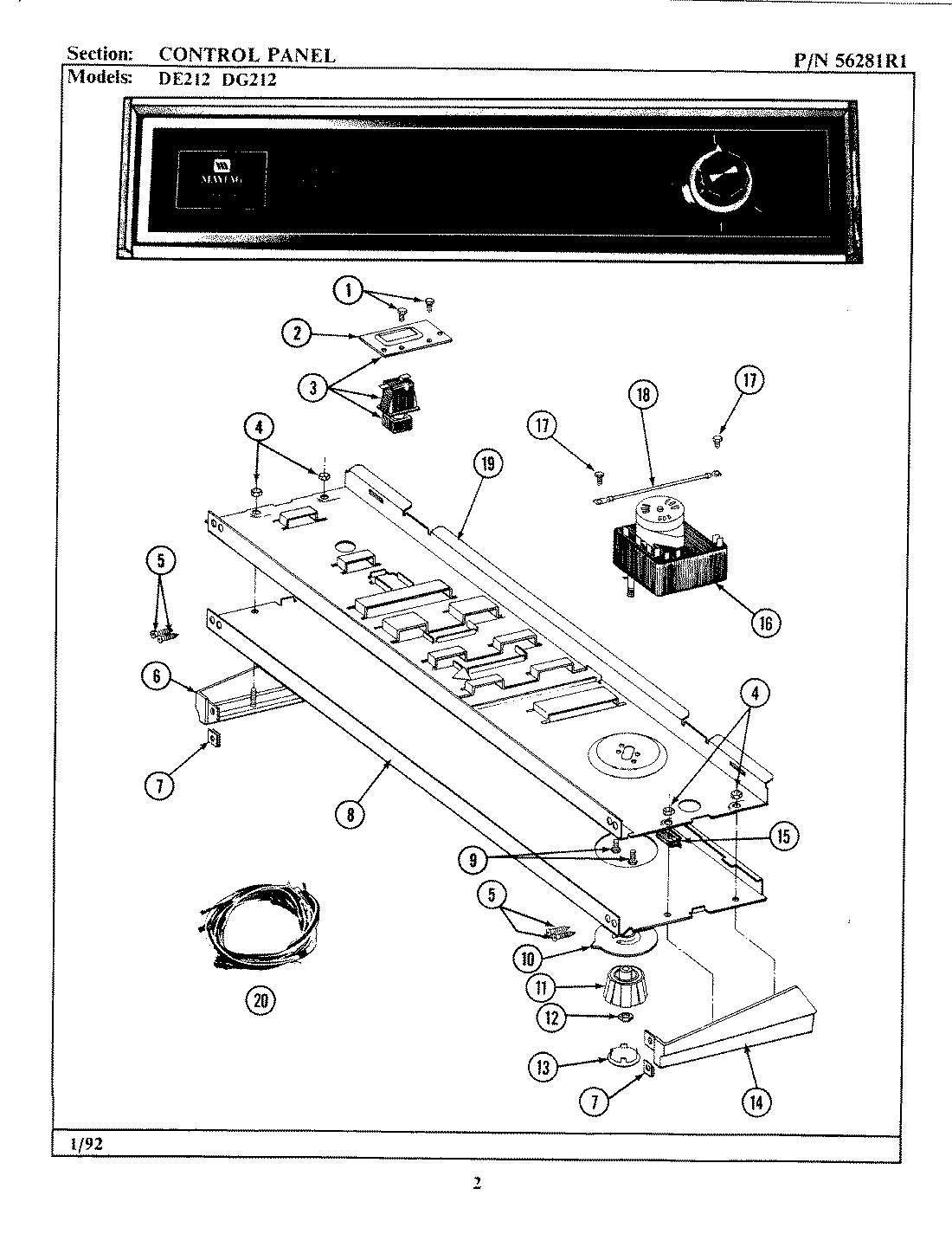
LDE212 01 – CONTROL PANEL