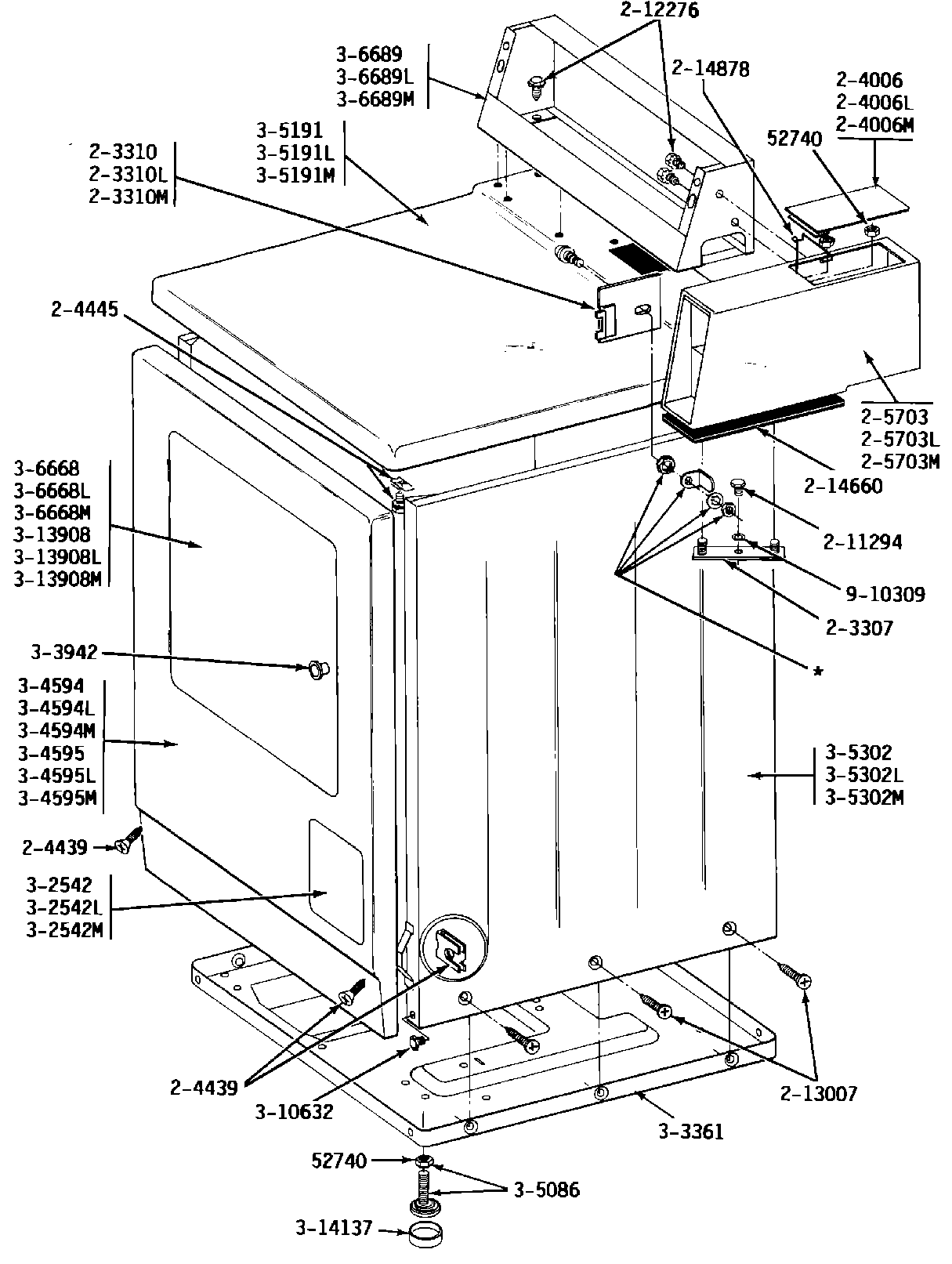
| 001 | WP62739 Whirlpool Nut |
| 009 | SCREW & FSTNER ASSY (FT. PNL) |
| 010 | MAY 204445 |
| 014 | WP90767 Whirlpool Screw |
| 015 | MAY 212276 |
| 016 | 213007 Whirlpool Screw #12 |
| 017 | MAY 214660 |
| 018 | MAY 214878 |
| 022 | MAY Y303361 |
| 030 | W10176519 Whirlpool Leveling Feet |
| 031 | MAY Y305191 |
| 037 | DOOR |
| 043 | MAY Y310632 |
| 044 | MAY Y313908 |
| 046 | DOWEL PIN FOR HANDLE |
| 047 | WPY314137 Whirlpool Rubber Foot |
| 048 | MAY 910309 |