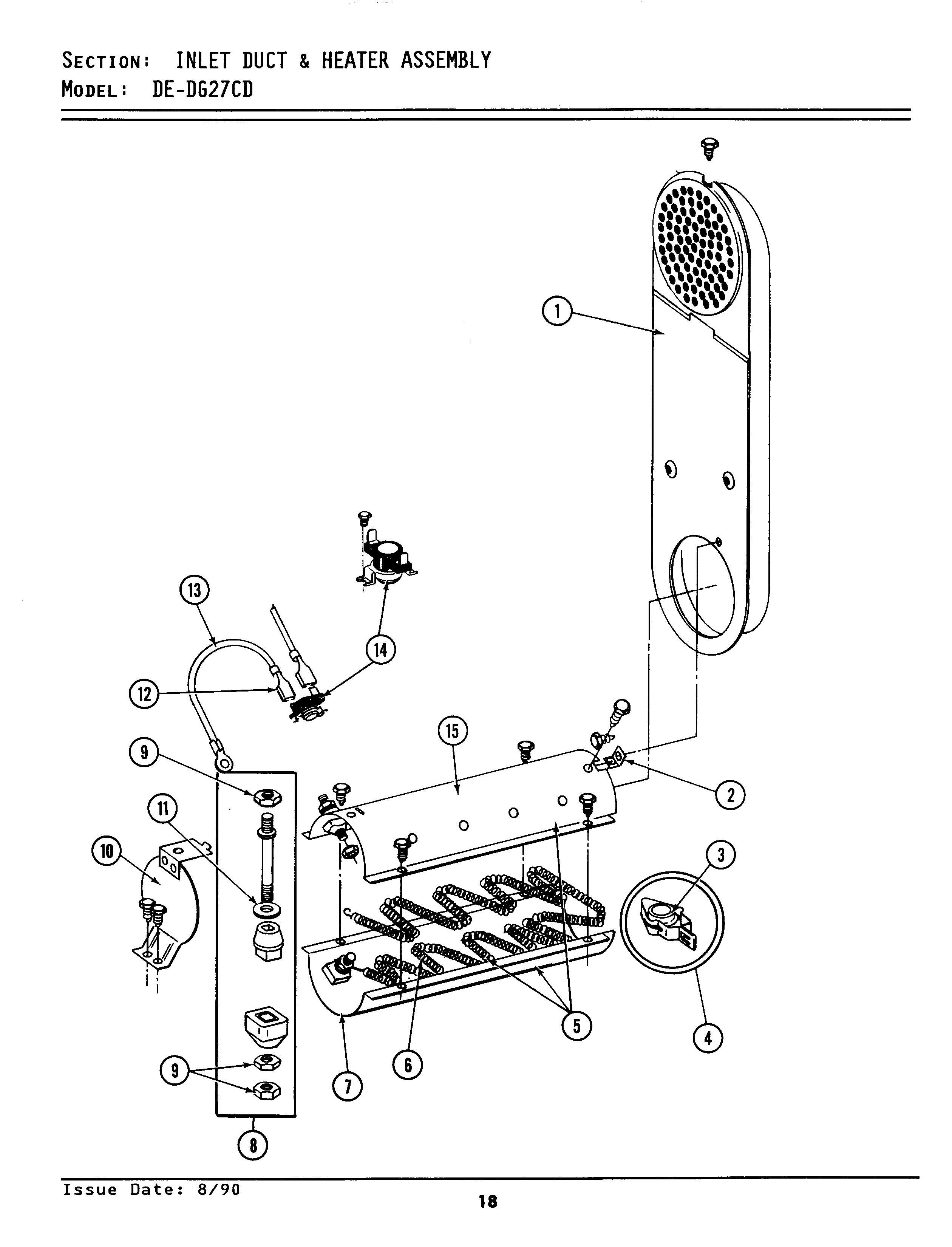
LDE27CD 07 – INLET DUCT & HEATER ASSEMBLYadmin2025-04-26T08:56:23+00:00LDE27CD 07 – INLET DUCT & HEATER ASSEMBLY ProductsPositionProduct002MAY Y312890003MAY Y313270004WPY303881 Whirlpool Clip and Insulator005MAY Y303856005MAY Y303778006MAY Y313537006W10116793 Whirlpool Element007MAY Y313576008Y304596 Whirlpool Terminal Insulator Assembly009WP112432 Whirlpool Nut Assembly010MAY 304124011WP311093 Whirlpool Washer 7012DOWEL PIN FOR HANDLE013WPY304693 Whirlpool Wire Jumper014WP303896 Whirlpool High Limit Thermostat014WP303396 Whirlpool Thermostat015MAY Y313575015WP90767 Whirlpool Screw