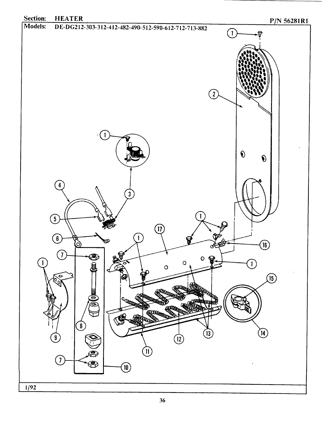
LDE312 04 – HEATER