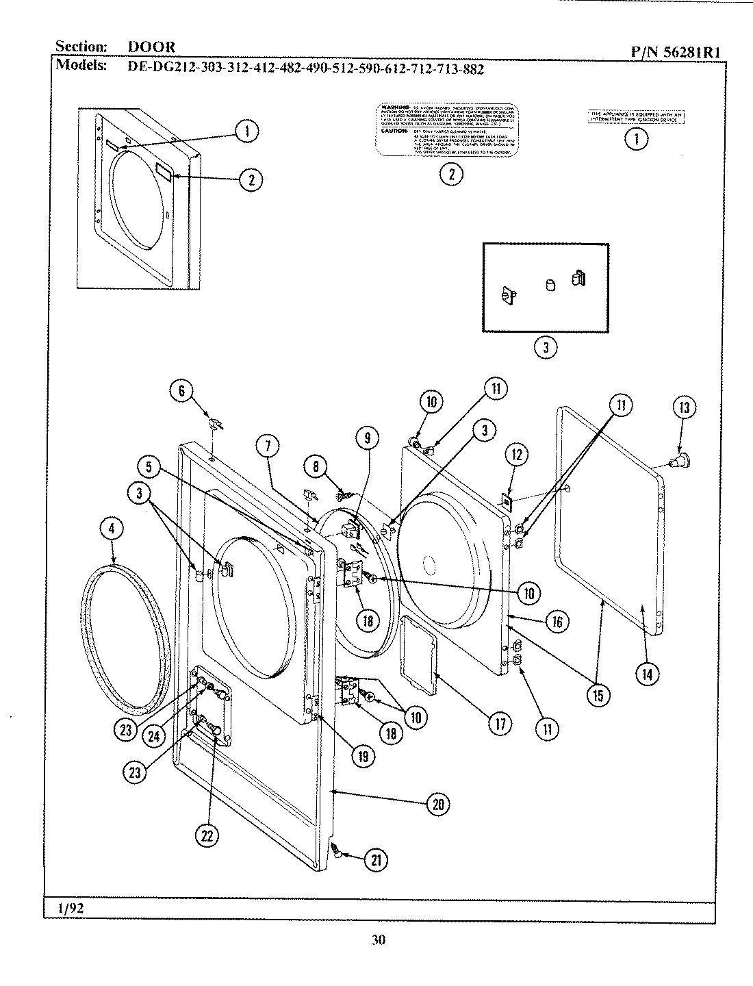
LDE482 02 – DOOR