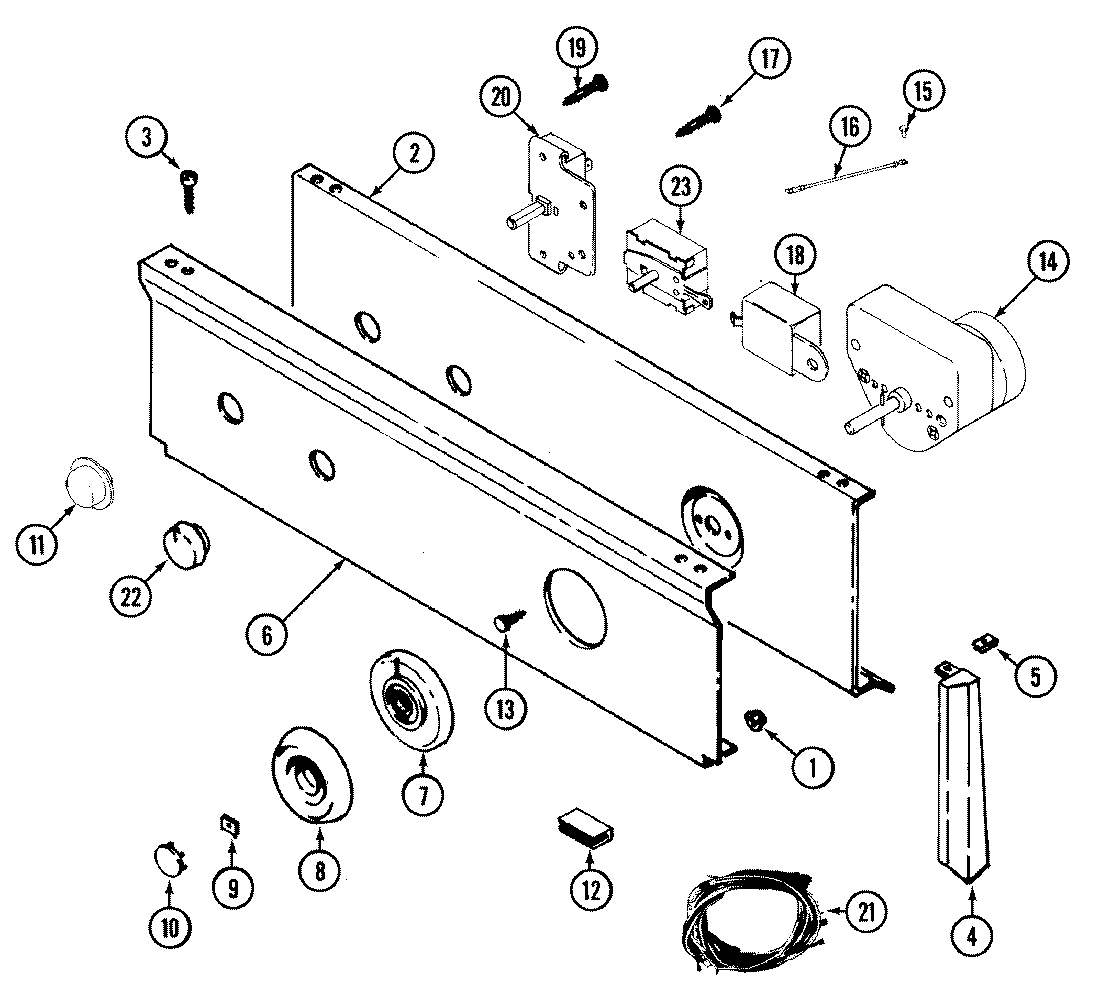
LDE4914ACE 03 – CONTROL PANELadmin2025-04-26T08:56:43+00:00LDE4914ACE 03 – CONTROL PANEL ProductsPositionProduct1MAY 2148722MAY 330012373MAY 2109324MAY 220012894MAY 220015644MAY 220012914MAY 220015655MAY 2148946MAY 330010707MAY 330011838MAY 330012559W10155650 Whirlpool Nut10MAY 21625011MAY 3300118512MAY 21489714WPY308254 Whirlpool Timer15MAY 21018616MAY 20480718MAY Y30820519MAY 31531720MAY 3300123221MAY 3300111721MAY 3300134621MAY 3300154122MAY 2200126823MAY 3300122824MAY 3300125624MAY 16000327