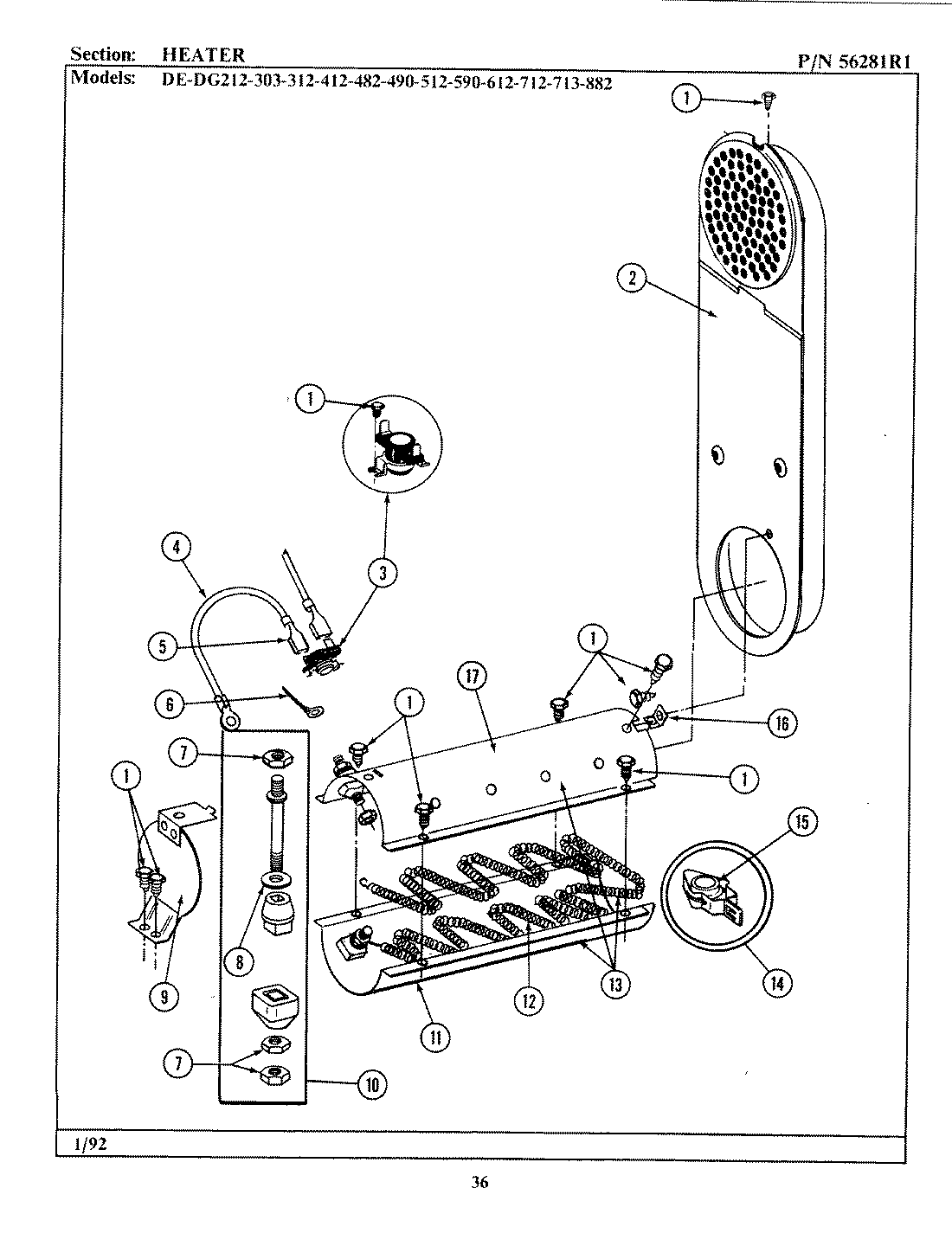
LDE590 04 – HEATER