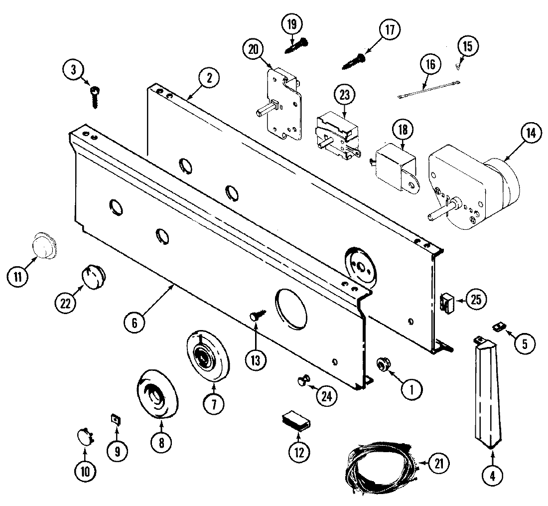
LDE7304AGE 03 – CONTROL PANELadmin2025-04-26T08:56:44+00:00LDE7304AGE 03 – CONTROL PANEL ProductsPositionProduct1MAY 2148722MAY 330012373MAY 2109324MAY 220015654MAY 220015644MAY 220012894MAY 220012915MAY 2148946MAY 330010757MAY 330011838MAY 330012559W10155650 Whirlpool Nut10MAY 21625011MAY 3300118512MAY 21489714MAY 3300103715MAY 21018616MAY 20480718WP694419 Whirlpool Buzzer Adjuster19MAY 31531720MAY 3300123221MAY 3300114221MAY 3300157121MAY 3300134122MAY 2200126823MAY 3300122824WP7730P011-60 Whirlpool Indicator Lens25MAY 3300122326MAY 3300125626MAY 16000327