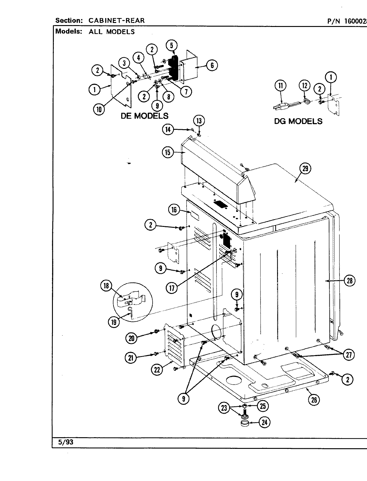
LDE7600AGW 03 – CABINET-REARadmin2025-04-26T08:56:37+00:00LDE7600AGW 03 – CABINET-REAR ProductsPositionProduct1MAY Y3129052MAY Y3135613WP112432 Whirlpool Nut Assembly4PART NOT USED5PART NOT USED6PART NOT USED7SCREW, No.10-24 X 3/4 INCH-----O8WPY311270 Whirlpool Washer TE9MAY Y31063210PART NOT USED11MAY 30252112GROMMET13MAY 21507514MAY 21093215MAY Y30519316INSTRUCTION LABEL17MAY 30384618MAY 30154819WP311155 Whirlpool Wire Assembly20MAY Y31355921WP90767 Whirlpool Screw22MAY Y31295123W10176519 Whirlpool Leveling Feet24WPY314137 Whirlpool Rubber Foot25WP62739 Whirlpool Nut26MAY Y30336127MAY 21307728MAY 30712429TOP COVER ASSY. (WHT)