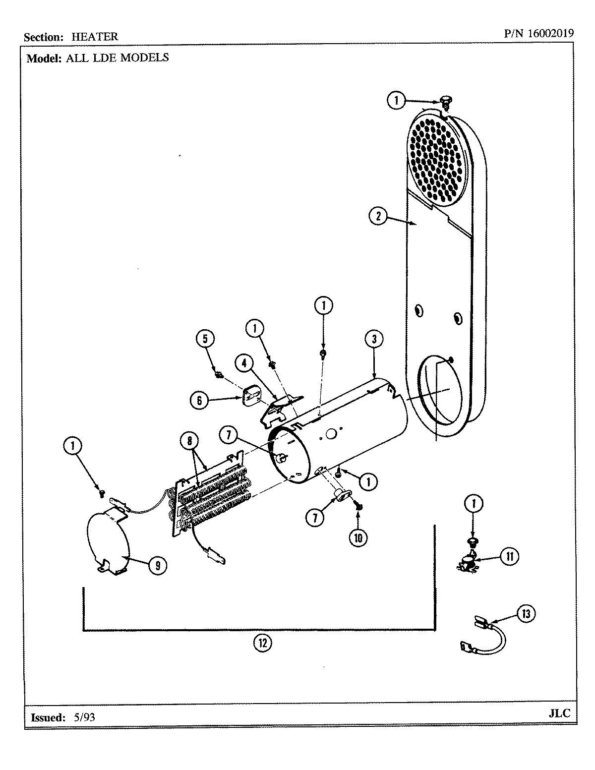
LDE8200ADE 05 – HEATER