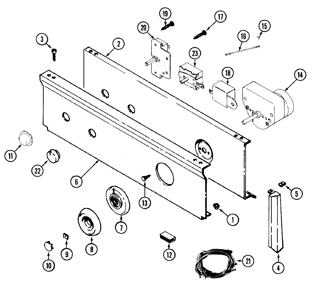
LDE8304ACE 03 – CONTROL PANELadmin2025-04-26T08:56:28+00:00LDE8304ACE 03 – CONTROL PANEL ProductsPositionProduct1MAY 2148722MAY 330012373MAY 2109324MAY 220015654MAY 220015644MAY 220012914MAY 220012895MAY 2148946MAY 330010717MAY 330011838MAY 330012559W10155650 Whirlpool Nut10MAY 21625011MAY 3300118512MAY 21489714WPY308254 Whirlpool Timer15MAY 21018616MAY 20480718MAY Y30820519MAY 31531720MAY 3300123221MAY 3300134221MAY 3300153821MAY 3300112322MAY 2200126823MAY 2200125924MAY 1600032724MAY 33001261